Mai
Mircea M cu pestal sa lucrezi tu,eu nu imi bat joc de clienti.Si tu aici vorbesti doar din carti,si induci lumea in eroare,eu vorbesc aici din practica si din experientele pe care la-am trait de-a lungul anilor.Meseria care trece pe langa tine si FIZICA te face sa ai indoieli,asta din cauza lipsei practicii,dar niciodata nu e tarziu.De unde ai dedus tu ca acea serpentina este o amarata de teava prin care trece o cantitate mica de apa?.Prin acea teava trece apa rece de la retea la presiunea retelei,si in functie de presiunea si debitul apei din retea pot trece 10-20-30 sau chiar 50 litri de apa pe minut prin acea serpentina.
Serpentina este scufundata in apa cazanului,si daca dai drumul la apa rece nu poate sa apara condens,nu poate sa se evapore,nu poate sa cada pe elementi pentru ca Termofarc,Junkers,Atmos,Attack,Orlan,Veissman,Ferroli...sunt cazane de otel si nu au elementi,deci nu condens,deci nu fierbere a apei in serpentina,deci nu viteza mica a apei in serpentina,deci nu pericol de explozie...deci?...de unde le-ai scos pe astea...?!...
Vad ca nu ai inteles schemele producatorului,si asta te-a indus in oroare,pai IN cazan inseamna ca este IN apa,iar tu ai inteles ca ar fi in camera de ardere a cazanului care este alta mancare de peste,dar am sa fac o scisoare la Bucuresti sa le spun sa explice ca la gradi in specificatii,sa poata intelege toti "meseriasii".Producatorul nu va spune niciodata ca serpentina produce si apa calda,si asta spun doar vanzatorii care sunt pe langa meserie si au fost angajati cu pile.
Nu sunt bombe cu ceas,tot ce se poate intampla cand se ia curentul si nu ai nici sursa UPS,esta ca se desprinde undeva la o lipitura si iasa aburul afara din cazan,dar in nici un caz nu explodeaza.
Nu stiu daca cunosti vreo meserie,dupa cele afirmate pe aici...ma cam indoiesc...
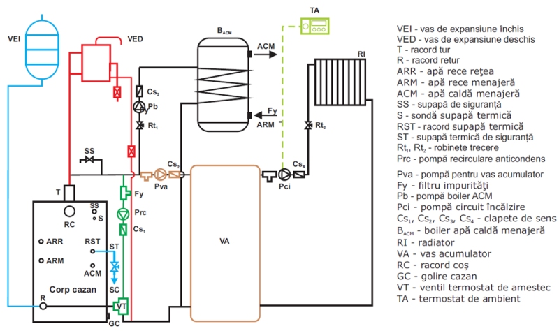
Daca tu ai fi citit toate paginile de aici,ai fi vazut ca la pagina 11 in poza 2,3,5 si ultima apare si sursa UPS care mentine pompa de recirculare in functiune cand se opreste curentul,si eu am tot spus ca trebuie acea sursa,dar nu am mai repetat si pentru tine inca o data,intai citeste toate paginile si dupaia dati cu parerea.Nu ai ce cazan sa scoti de sub presiune,pentru ca in caz de crestere a presiunii dau afara supapele de suprapresiune,dar iar nu te-ai uitat la pagina 11 in poza 6 si la comentarii.
Asa ca pot sa rad copios,pentru ca toate cazanele montate de mine functioneaza in conditii de siguranta.Iar a lega niste tevi la un cazan nu este la indemana fiecaruia,pe tine din start nu te pun in calcul,ca tu sigur stii...dar nu prea ai inteles cum functioneaza un cazan doar.
Si pentru tine mai repet ce recomand la montarea unui cazan,camera tehnica trebuie sa fie anexa langa locuinta,sa fie cel putin de 2m l x 3m L x 2.5m H.E bine sa contina si un geam,asta daca nu are usa geam,si o gaura de 100-110 mm in partea de jos a camerei si opusa cazanului,pentru a trage aer cazanul.Cel mai important la un cazan este cosul,care trebuie sa aiba diametrul de minim 180mm,recomandat este de 200mm,sa fie izolat pentru a nu se produce condens care s-ar scurge in cazan si ar produce gudron,care este acid si mananca din peretii cazanului,sa treaca peste coama casei daca e lipit de casa,si trebuie sa aiba o inaltime de minim 6 m de la axul cazanului,recomandat este sa fie de 8 m...da
Mircea M?
Uite ultimul cazan pe lemne montat,poti recunoaste macar 3 piese din poza?
Mentionez ca in aceasta poza nu apucasem sa montez toate piesele,am si pozele cu piesele montate,dar nu le mai pun si pe alea,e vorba de termostatele de conducta pentru pompe,firele electrice,si sursa Ups pe care nu am mai fotografiato.
Asa ca draga colegu
Mircea M,pana nu vii cu temele facute,nu mai discut nimic cu tine.
A,comentariile acide sunt de la condensu care a picat pe elementi.
