Toate subiectele in care nu s-a scris de 3 luni (15.02.2008)
Masini, piese, sisteme audio, totul e de vanzare.
19 Ian 2013, 08:00
Vand preincalzitor lichid racire(Ford focus diesel), bujii functionabile
pret 70ron
0744299412
- Fişiere ataşate
-

19 Ian 2013, 08:46
te rog sa imi explici si mie mai exact ce face ?
defapt vreau sa stiu daca ma juta sa incaleazca lichidul de racire si dupa ce merge motorul .
ex : eu merg cu masina dimineata pe distanta scurta si masa cu motorina abia se incalzeste si sa bage caldura in habitaclu ca am ajuns si opres motorul acest produs accelereaza sa faca mai repede caldura
19 Ian 2013, 08:59
da mai dinu ajuta la incalzirea mai rapida a lichidului de racire al motorului si implicit a habitaclului si functioneaza pina cand antigelul ajunge la 70-75 de grade dupa care se opreste.daca il cumperi sa schimbi bujiile.
19 Ian 2013, 20:47
buna ana dar de ce trebuie sa schimb bujile ?
19 Ian 2013, 21:16
cautand un rspuns la minunatia asta care eu nu am mai vazut imi imaginez ca functioneaza cu niste bujii incandescente,nu ?
19 Ian 2013, 22:39
Au fost montate pe Focus 1 si merg cu bujii incandescente, mai greu e cu instalatia electrica deoarece in functie de temperatura antigelului functioneaza una, doua sau toate trei bujii si pornesc doar la temperaturi mai scazute de +5 grade. Cine reuseste sa monteze acest preincalzitor o sa aiba si caldura mai repede in masina, nu stiu cat de repede dar puteti intreba pe cei care au Focus 1 ai au acest tip de preincalzitor.
20 Ian 2013, 01:02
Probabil comanda e ceva similar PTC'ului de pe Fiesta. In functie de temperatura exterioara si temperatura motorului vor fi comandate bujiile probabil de PCM
La 70 ron, chiar si daca se inlocuiesc bujiile, mie mi se pare pret bun. Nu stiu insa daca la Focus ptr acest incalzitor e nevoie de inlocuit alternatorul cu unul mai puternic, ca altfel mai creste pretul investitiei
20 Ian 2013, 03:06
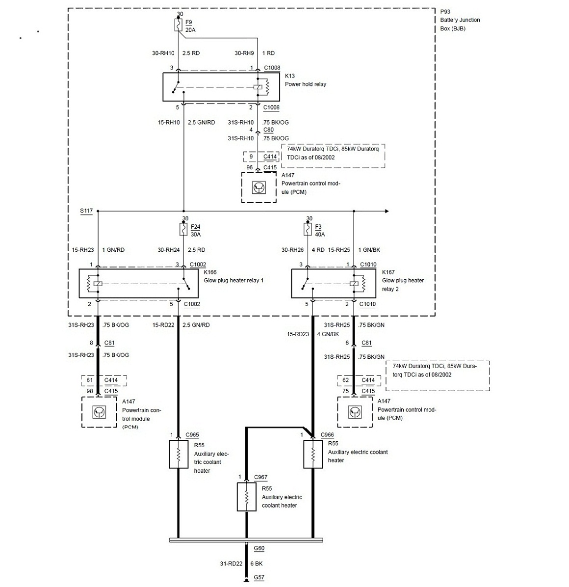
Cred ca asa arata schema electrica
- Fişiere ataşate
-

- Diesel engines, with auxiliary electric coolant heater
20 Ian 2013, 17:24
Ok si daca cumpa de la colegul de aici asa ceva pot aa il montez pe focus meu 2 2008 face lift ma ajuta cineva si cat ma costa asa si ce mao trebuie pe lanaga ? Relee si fire etc
20 Ian 2013, 22:25
Nu bag mana in foc, insa as zice ca e pentru FF1
20 Ian 2013, 23:01
Eu la focus 1 benzina am montat asa ceva.
Chiar isi merita banii, motorul se incalzeste de 2 ori mai repede.
Schema si modificarile necesare le-am postat pe paginile 14 si 15 al acestui topic:
http://forum.clubford.ro/viewtopic.php?f=53&t=37489&start=325
21 Ian 2013, 13:05
la focus 2 se poate adapta?
21 Ian 2013, 13:09
se poate adapta la orce masina (cu modificarile necesare)
bun pretul
21 Ian 2013, 18:28
il vreau eu.astept mesaj pe privat sa il iau
21 Ian 2013, 22:26
Salutare,
Mai e valabil si eu sunt interesat de acest modul.
24 Ian 2013, 06:26
Vandut se poate inchide .
Multumesc !
Powered by phpBB © phpBB Group.
phpBB Mobile / SEO by Artodia.