Help/Troubleshooting

Montare oglinzi electrice pe FF1

Eventualele probleme/nelamuriri tehnice generale.

Moderator: Huffy

Reguli forum
Dacă aveţi defecţiuni sau nelămuriri cu privire la maşina dumneavoastră, vă rog să căutaţi răspunsuri sau să deschideţi un subiect nou în Secţiunea dedicată modelului dumneavoastră. Această secţiune este doar pentru generalităţi.

Montare oglinzi electrice pe FF1

Mesajde Florin21 » 19 Mar 2008, 23:54

As vrea sa stiu daca se pot monta oglinzi electrice pe un Ford Focus 1 care nu vine din fabrica cu aceasta dotare, daca sunt greu de montat, daca trebuie intervenit si la partea electrica sau sunt deja puse din fabrica relee si sigurante, daca exista cineva care a facut aceasta operatiune, de unde se pot procura la un pret mai acceptabil si ce costuri implica operatiunea in sine... Va multumesc! ;)
Avatar utilizator
Florin21
1nsane Member
 
Mesaje: 7900
Membru din: 10 Iun 2007, 13:47
Localitate: Rm. Valcea
Maşina: Ford Mondeo Mk5, 2.0 TDCi

Re: Montare oglinzi electrice pe FF1

Mesajde badboy20cm » 20 Mar 2008, 00:26

salut ,daca nu e prevazuta din fabrica o sa iti trebuiaska oglinzi electrice separat de cele obisnuite ,cablarie,relee,comutator pt ele ,daca cauti mai atent pe forum o sa gasesty un subiect la fel ca al tau si vezi acolo ce a rezolvat omul acela si cam cat e ,,parerea mea e cam costisitor sa faci chetya asta
Avatar utilizator
badboy20cm
1nsane Member
 
Mesaje: 4043
Membru din: 28 Ian 2008, 15:47
Localitate: Bucuresti
Maşina: Mondeo Turnier , Buil date 02/05/2001 , 1.8cmc , benzina , 125 ccp , 16 valve , 6 airbag
VIN: WF0WXXGBBW1U89568

Re: Montare oglinzi electrice pe FF1

Mesajde Florin21 » 20 Mar 2008, 16:11

Inainte sa deschid acest topic am citit topicul de care ziceai si ptr. mine nu a fost deloc elocvent... Persoana respectiva a renuntat..., dar eu nu am de gand sa renunt, i-am montat eu proiectoare, nu sunt in stare oare sa-i montez si niste oglinzi electrice...?! :D Astept mesaje de la cei care au facut acest lucru insotite de exolicatii amanuntite si daca se poate si ceva fotografii... :)
Avatar utilizator
Florin21
1nsane Member
 
Mesaje: 7900
Membru din: 10 Iun 2007, 13:47
Localitate: Rm. Valcea
Maşina: Ford Mondeo Mk5, 2.0 TDCi

Re: Montare oglinzi electrice pe FF1

Mesajde badboy20cm » 20 Mar 2008, 16:28

poi lasa proiectoarele in pace ca nu e chiar asa de usor precum e la proiector,,1 m cablu legi niste relee o siguranta si un comutator si gata proiectorul ...,zicea cineva pe aici ca acele oglinzi electrice au legatura cu luneta ,circuitul ar fii comun ...,BAFTA ORICUM
Avatar utilizator
badboy20cm
1nsane Member
 
Mesaje: 4043
Membru din: 28 Ian 2008, 15:47
Localitate: Bucuresti
Maşina: Mondeo Turnier , Buil date 02/05/2001 , 1.8cmc , benzina , 125 ccp , 16 valve , 6 airbag
VIN: WF0WXXGBBW1U89568

Re: Montare oglinzi electrice pe FF1

Mesajde alko » 20 Mar 2008, 17:17

Daca oglinzile electrice sunt si incalzite, atunci sunt pe acelasi circuit cu dezaburirea lunetei.
Ford Focus Turnier 1.8 TDDI 90CP 2002 .:alkoholik:.
Avatar utilizator
alko
Ford Freak
 
Mesaje: 201
Membru din: 31 Dec 2007, 03:28
Localitate: Neamt/Bucuresti

Re: Montare oglinzi electrice pe FF1

Mesajde gabilondo » 20 Mar 2008, 19:37

$1 scrie:$2aca oglinzile electrice sunt si incalzite, atunci sunt pe acelasi circuit cu dezaburirea lunetei.


Eu stiu ca la focus oglinzile electrice au si dezaburire,se conecteaza odata cu dezaburirea lunetei cum spui tu.
FOCUS 2002 TDCI 115CP hatchback,comp.bord,climatronic,etc. MACHINE SILVER METALLIC
Avatar utilizator
gabilondo
Gold Member
 
Mesaje: 588
Membru din: 30 Ian 2008, 03:40
Localitate: Torrevieja,spania si din cand in cand hunedoara
Maşina: FORD FOCUS (iulie2002) 1.8 TDCI 115cp

Re: Montare oglinzi electrice pe FF1

Mesajde andoruls » 20 Mar 2008, 20:16

In afara de incalzirea lor nu vad mare avantaj.. M-am gandit si eu mai bine...de cate ori pe luna le reglezi?? :-/ sincer eu cred ca de 2 sau 3 ori cand ma duc la spalatorie sau cand le spal eu si le dereglez ...PT asta sa cheltuii niste bani pe care ii poti folosi la altceva..bine acum fiecare cu perceptiile lui... parerea mea este k nu se merita ...
Ford Focus Titanium Ecoboost 150
Avatar utilizator
andoruls
1nsane Member
 
Mesaje: 2041
Membru din: 23 Feb 2007, 02:59
Localitate: Bucuresti/Rm. Valcea
Maşina: Ford Focus 1.6 EcoBoost 150
VIN: WF0KXXGCBKBD10918

Re: Montare oglinzi electrice pe FF1

Mesajde rayman_bz » 20 Mar 2008, 20:47

oglinzile cu luneta, parbrizul cu duzele de la "stropitoare" :D marfa! Florine sa mor de nu esti jale! Respect omu`! (si nu sunt ironic!) !!! Ai un curaj jaale ! Sa ai bafta si la sfarsit iti cer un calcul :P
Power to you!
Avatar utilizator
rayman_bz
Mostwanted Ford Freak
 
Mesaje: 1781
Membru din: 07 Aug 2007, 14:56
Localitate: Buzau - East Coast
Maşina: Mondeo 2008 / Megane II Cabrio 2005

Re: Montare oglinzi electrice pe FF1

Mesajde Florin21 » 21 Mar 2008, 10:02

$1 scrie:$2glinzile cu luneta, parbrizul cu duzele de la "stropitoare" :D marfa! Florine sa mor de nu esti jale! Respect omu`! (si nu sunt ironic!) !!! Ai un curaj jaale ! Sa ai bafta si la sfarsit iti cer un calcul :P

Nu esti ironic dar in schimb esti acid..., daca citeai primul mesaj cu atentie cred ca iti dadeai seama ca nu vreau decat detalii de la cineva care a facut acest lucru ca sa-mi fac o idee daca merita sau nu sa fac acest lucru, asa ca va rog sa nu mai postati decat daca ati facut sau stiti pe cineva care a facut acest lucru, ma intereseaza amanunte nu ironii, e plina lumea de ele... Ha-ha-ha... ce usor e sa razi de cineva... am citit pe aici lucruri mai bizare despre ce si-ar dorii unii pe masina lor si nu am intervenit sa ironizez pe nimeni, am citit, mi-am facut o idee am tinut-o ptr. mine, si m-am abtinut de la ironii... Stima...!
Avatar utilizator
Florin21
1nsane Member
 
Mesaje: 7900
Membru din: 10 Iun 2007, 13:47
Localitate: Rm. Valcea
Maşina: Ford Mondeo Mk5, 2.0 TDCi

Re: Montare oglinzi electrice pe FF1

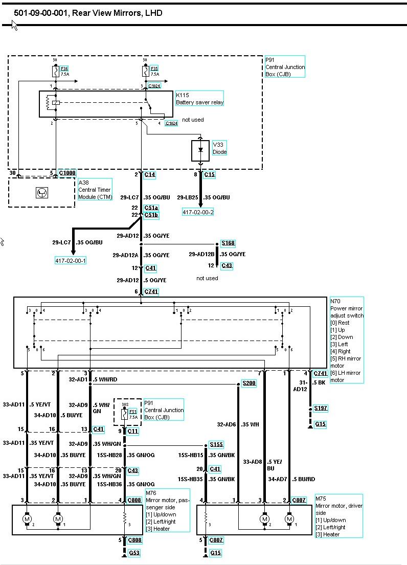
Mesajde Huffy » 21 Mar 2008, 10:33

Ca sa-ti faci o idee, uite cum arata schema electrica pt partea de reglaj. Mai e o schema si pt incalzire. Foarte complicata nu e, dar daca nu exista deja cablajul, o sa fie ceva de munca...
Fişiere ataşate
power mirrors.JPG
Avatar utilizator
Huffy
 
Mesaje: 4692
Membru din: 07 Iun 2005, 19:51
Localitate: Bucuresti
Maşina: Ford

Re: Montare oglinzi electrice pe FF1

Mesajde Florin21 » 21 Mar 2008, 10:42

$1 scrie:$2a sa-ti faci o idee, uite cum arata schema electrica pt partea de reglaj. Mai e o schema si pt incalzire. Foarte complicata nu e, dar daca nu exista deja cablajul, o sa fie ceva de munca...

Ptr. asemenea oameni, jos palaria... Stima si respect!!!
Avatar utilizator
Florin21
1nsane Member
 
Mesaje: 7900
Membru din: 10 Iun 2007, 13:47
Localitate: Rm. Valcea
Maşina: Ford Mondeo Mk5, 2.0 TDCi

Re: Montare oglinzi electrice pe FF1

Mesajde andoruls » 23 Aug 2008, 15:23

Salut ce ai mai facut Florine!!! ma bate gandu sa iau decat sticlele pt incalzire....si sa trag cablaj pana la dezaburire...intrebare mai trebe sa trec prin vre-un releu ceva???sau doar le conectez la butonasul de la dezaburire :) TNX
Ford Focus Titanium Ecoboost 150
Avatar utilizator
andoruls
1nsane Member
 
Mesaje: 2041
Membru din: 23 Feb 2007, 02:59
Localitate: Bucuresti/Rm. Valcea
Maşina: Ford Focus 1.6 EcoBoost 150
VIN: WF0KXXGCBKBD10918

Re: Montare oglinzi electrice pe FF1

Mesajde Florin21 » 24 Aug 2008, 09:30

Sincer, am lasat-o balta din lipsa de fonduri... :-" Dar sigur cand va incepe sezonul friguros sigur o sa inceapa sa ma roada ideea din nou dar poate pana atunci o marit si imi cumpar una cu oglinzile incalzite... :D
Avatar utilizator
Florin21
1nsane Member
 
Mesaje: 7900
Membru din: 10 Iun 2007, 13:47
Localitate: Rm. Valcea
Maşina: Ford Mondeo Mk5, 2.0 TDCi

Re: Montare oglinzi electrice pe FF1

Mesajde andoruls » 24 Aug 2008, 15:01

Eu am gasit sticle heliomate (cu tenta albastra si incalzite) in UK cu 40 de lire inclusiv transport...nu stiu dc am cablaj tras...pt ele desi nu cred am sa incerc sa iau o pereche.
Ford Focus Titanium Ecoboost 150
Avatar utilizator
andoruls
1nsane Member
 
Mesaje: 2041
Membru din: 23 Feb 2007, 02:59
Localitate: Bucuresti/Rm. Valcea
Maşina: Ford Focus 1.6 EcoBoost 150
VIN: WF0KXXGCBKBD10918


Înapoi la Help/Troubleshooting

Cine este conectat

Utilizatorii ce navighează pe acest forum: Niciun utilizator înregistrat şi 13 vizitatori

Cine este conectat

În total sunt 13 utilizatori conectaţi :: 0 înregistraţi, 0 invizibili şi 13 vizitatori (date care se bazează pe utilizatorii activi în ultimele 5 minute)
Cei mai mulţi utilizatori conectaţi au fost 2573 pe 30 Sep 2024, 17:07

Utilizatorii ce navighează pe acest forum: Niciun utilizator înregistrat şi 13 vizitatori

Zile de naştere

Nicio zi de naştere astăzi

Site Login