24 Iul 2022, 18:36
25 Iul 2022, 08:20
25 Iul 2022, 09:11
25 Iul 2022, 09:29
25 Iul 2022, 09:47
25 Iul 2022, 09:56
$1 scrie:$2h, m-am prins. Nu imi bag nasul in asa ceva, dar nu pare foarte complexa problema.
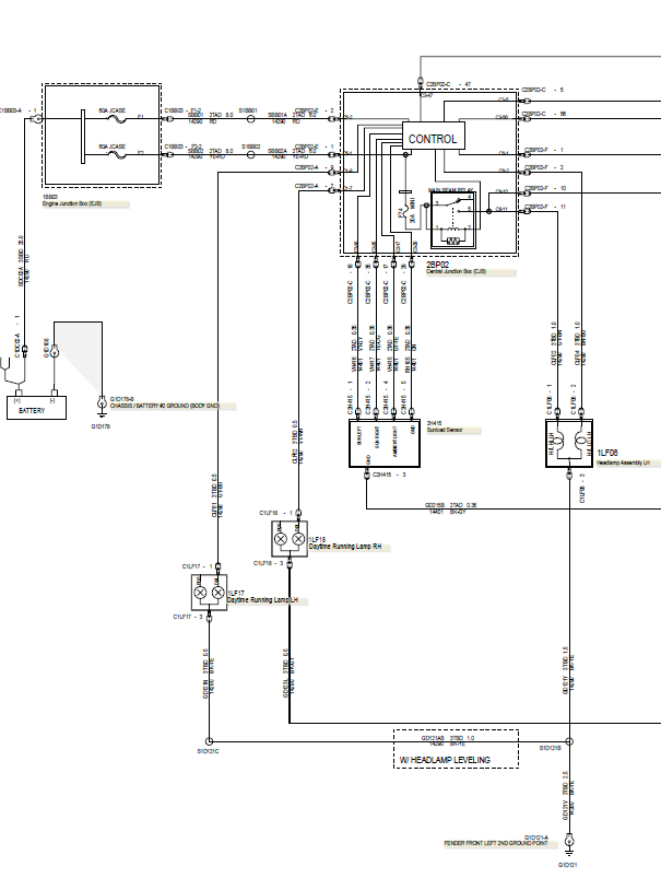
In esenta nu e extrem de complicat: BCM-urile moderne nu se mai bazeaza pe fuzibile pentru anumite circuite ci fac treaba cu tranzistori MOS-FET. Astfel, atunci cand este depistata o problema circuitul este blocat pentru un timp. Daca problema persista foarte mult (10-20 cicluri de pornire) atunci circuitul este blocat pentru un interval de timp mai mare, la extrem de multe cicluri (30-40) se blocheaza definitiv si se stocheaza un mesaj de eroare care indica faptul ca BCM-ul trebuie inlocuit (U3000 - internal fault).
In cazul tau trebuie sa te conectezi direct la procesor, sa ii citesti memoria interna si sa ii suprascrii zona in care pastreaza contorii de erori.
Nu am programator pentru tipul ala de procesor, din pacate si nici nu ma simt confortabil sa imi bag nasul in asa ceva. Daca pateam asta la masina mea imi cumparam un alt BCM din dezmembrari.
25 Iul 2022, 10:16


25 Iul 2022, 10:34
$1 scrie:$2h, nu ii "multumi" lui Ford pentru ca si-a facut treaba
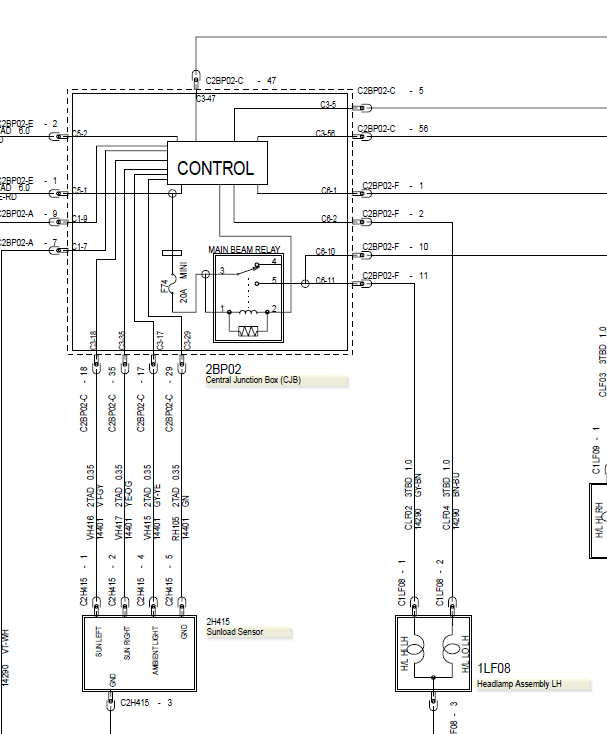
Daca montai ceva conform si respectai procedurile date de producator nu aveai problema asta. Masina e prevazuta cu circuite auxiliare pentru lampi suplimentare si gasesti toate informatiile necesare la Ford, la Vehicle Conversions. Iar la faruri nu ne jucam cu improvizatii si chinezarii, nu?
Da, sunt de acord cu tine ca se poate resuscita asta, da' chestia este ca e fina operatiunea. Orice-ai face cu EEPROM-ul ala fa mai intai un backup pentru ca in memoria aceea sunt stocate si alte informatii, in special cele legate de imobilizator si nu vei putea porni masina daca se intampla ceva.
25 Iul 2022, 10:51
25 Iul 2022, 11:03
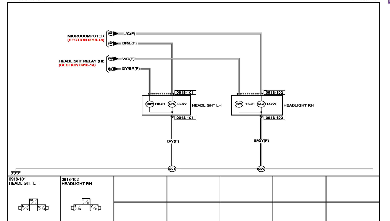
$1 scrie:$2entru faza lunga folosesti intotdeauna relee, nu te legi direct la circuitele masinii. Pentru pozitii si frane folosesti modulul de trailer.
CCC-ul este configuratia, ala este OK, il pui la loc foarte usor cu Forscan. Dar in EEPROM ai si seed data pentru imobilizator si ID-urile transponderelor.
25 Iul 2022, 11:29
25 Iul 2022, 11:41
25 Iul 2022, 20:48
25 Iul 2022, 22:52
25 Iul 2022, 23:09
25 Iul 2022, 23:22
26 Iul 2022, 00:12
17 Iun 2023, 21:19
15 Noi 2023, 02:56
$1 scrie:$2erificați siguranțele responsabile de faza scurtă. Dacă siguranța a ars, înlocuiți-o cu una nouă de același tip și valoare. Ar fi bine să verificați și starea contactelor și conexiunilor în sistemul de iluminare. Este posibil să existe o întrerupere sau coroziune undeva. Dacă există probleme cu BCM, acestea pot afecta funcționarea luminilor. În acest caz, poate fi necesară o revizie și eventual reprogramare sau înlocuire a BCM-ului.