Eventualele probleme/nelamuriri tehnice generale.
Reguli forum
Dacă aveţi defecţiuni sau nelămuriri cu privire la maşina dumneavoastră, vă rog să căutaţi răspunsuri sau să deschideţi un subiect nou în
Secţiunea dedicată modelului dumneavoastră. Această secţiune este doar pentru
generalităţi.
03 Sep 2009, 17:51
Daca exista pe forum o persoana care se pricepe la motoare electrice inductive, doresc sa aflu cum se face calculul bobinelor (grosimea conductorului si nr. de spire) si eventual plasarea lor in stator.
merci...
03 Sep 2009, 18:13
desi nu cred ca-s persoana cea mai potrivita (eu, personal, n-am bobinat decat motoare mici, de pe la diverse gadgeturi gen cdplayer, compresor de umflat rotile etc), ti-as recomanda asa: identifici tot ce se poate vedea cu ochiul liber (numar de bobine, dispunere, conexiuni) si pui pe hartie o schemusoara cat mai inteligibila
pe urma te apuci de taiat bobinajul ars (dar numai si numai daca esti ferm convins ca e ars), dar cu grija, ca sa poti scoate un tronson intact, pentru numaratoare spirelor si masurarea diametrului sarmei (numeri si notezi, masori si notezi)
pe urma indepartezi tot bobinajul vechi, ca si izolatia din crestaturi
iti faci rost de folie izolatoare si croiesti si indoi izolatia, dupa care o bagi in crestaturi
iti faci un sablon din lemn si carton (sau alte materiale) pentru bobine, dupa care le realizezi, le bagi in crestaturi si le legi (curatat bine emailul, decapat si cositorit separat fiecare dintre capete, rasucit si cositorit conexiunile) - asta daca e vorba de stator; daca e vorba de rotor, bagi izolatia in crestaturi si bobinezi direct pe rotor
pe urma impregnezi, scurgi, coci, indepartezi si cureti etc etc etc
dar mai bine te duci la un bobinator care are tot ce-i trebuie (nu zic doar de materiale, ci si de scule si dispozitive si, mai eles, de rutina si indemanare)
calculul este foarte laborios (trebuie sa iei in calcul datele statorului si/sau rotorului, cum ar fi sectiunea efectiva a miezului - foarte greu de masurat la un motor cu multi poli!), mai bine te apuci de vreun sport obisnuit
dar ce fel de motor este? cc/ca, mono/tri fazat, cu magneti permanenti sau cu stator si rotor bobinat, sau cu rotorul in scurtcircuit? sau (mai bine) pune o poza cu motorul demontat, sau spune-ne de la ce este acel motor
03 Sep 2009, 18:28
De fapt, motorul este de la un compresor si este de tip c.c. cu statorul bobinat si rotorul in scurt (squirrel cage), trifazat de 370w iar eu vrea sa-l modific la monofazic. Schema de aranjare a bobinelor "sa zicem" ca o stiu dar ramane partea de calcul gosime conductor si numar de spire.
Si varianta sa duc la cineva sa faca toata treba ar fi ok, dar vreau sa experimentez si asta, ca sa mai bifez ceva pe lista
03 Sep 2009, 18:40
$1 scrie:$2otorul ... este de tip c.c. cu statorul bobinat si rotorul in scurt (squirrel cage), trifazat de 370w iar eu vrea sa-l modific la monofazic. ...
nu poate sa fie cc trifazic (
cc inseamna curent continuu)
pai daca e asa, nu ai nevoie sa-l rebobinezi, te descurci cu un condensator ceva gen 6,8-10 micro pe 400Vca, sau cu o bobina (drosser) de la o lampa cu vapori de mercur
alimentezi cu 220 pe o bobina (sau pe doua, inseriate) - adica pe doua dintre cele trei borne ale motorului; bobina (condensatorul) o legi pe borna ramasa libera si pe una dintre cele legate la 220
ar fi bine de stiut daca bobinajul este legat in triunghi sau in stea (asta poti modifica foarte usor, depinde de ce anume obtii: se invarte destul de repede si puternic? se incalzeste la mers in golsau sarcina mica?)
03 Sep 2009, 19:26
Da am gresit e c.a., dar fiind compresor cuplul la pornire e o problema, am incercat cu condensator de pornire dar nu pornea (12uf). Doar la sfarsit de saptamana am acces la motor, si vreau sa incerc mai multe variante cu bobinele originale, 6 buc. dispuse la 120 de grade. O sa incerc conexiunele si pe stea si delta, dar si posibiltatile de legare in cazul configurarii pentru monofaza 2 4 6 poli folosind 4 bobine( din cate am mai citit pe net ar trebuii sa functioneze destul de bine si cu bobinele de pornire dispuse la 120 sau 60 de grade).Ca si ultima varianta ramane bobinarea motorului pentru monofaza.
05 Sep 2009, 09:32
Condensatorul cu care ai incercat sa faci modificarea este mult subdimensionat. Modific motoare la serviciu aproape zilnic si dupa toate calculele (si testele) am ajuns la concluzia ca ideal ar fi 10yF la fiecare 100W ai motorului. Adica, pentru motorul tau de 370W ai nevoie de unul sau mai multe condensatoare in paralel care sa insumeze 35-40yF. Mai departe, motorul trebuie obligatoriu legat in triunghi, functioneaza si in stea dar pierzi mult din cuplu, atat la pornire cat si in regim de lucru efectiv. Cu bobinatul eu zic s-o lasi balta, pana si atelierele cu aparatura specializata si experienta dau rateuri de multe ori, motorul nefunctionand asa cum ar trebui. Vezi mai jos schema. Daca vrei sa schimbi sensul de rotire muta condensatorul pe celelalte borne, respectiv R - S.
Bafta!
- Fişiere ataşate
-

07 Sep 2009, 15:25
Dupa tot felul de incercari m-a prins noaptea, cind am observat ca una dintre bobine era in scurtcircuit si se vedea flama. A doua zi dupa ce am rezolvat problema cu scurtcircuitul, am legat motorul in triunghi si cu un condensator de 40uf a functionat. Dar de fiecare data cind trebuie sa porneasca cu presiune in butelie mai trebuie sa adaug inca cel putin 20uf, care daca ii las in circuit consumul motorului sare de la 2,5A la 3.5A, asa ca trebuie sa gasesc o metoda de decuplare a condensatorilor suplimentari fara sa folosesc un intrerupator centrifugal deoarece nu am asa ceva. Ma gandeam la un releu temporizator sau ceva de gen...
07 Sep 2009, 20:02
Cel mai simplu ar fi un buton push cu contacte ND / NI pe care sa-l tii apasat atat cat e nevoie sa intre in turatie, dar nu e tocmai comod. Alta solutie ar fi un contactor telemecanique pe care sa atasezi un releu de timp pneumatic (rezista ani de zile), dar asta te duce la aproximativ 150 lei. Sau poti pune si releu de timp romanesc dar nu sunt tocmai fiabile, depinde cat folosesti respectivul utilaj.
07 Sep 2009, 20:47
Mutat in Help.
07 Sep 2009, 22:58
Pornirea motorului se face manual sau automat (comandat de presostat)?
Daca e manual, nu are rost sa te complici cu temporizari.
Citeste si aici:
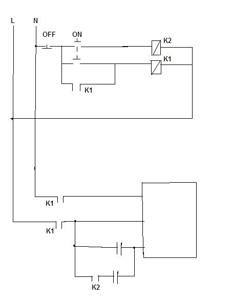
http://home.att.net/~waterfront-woods/A ... verter.htmLE: Daca e pornire manuala, vezi si schema de mai jos cu doua relee si doua butoane cu revenire, cel de pornire trebuie sa fie dublu. Condensatorul suplimentar este cuplat prin K2 doar atata timp cat este apasat efectiv butonul de start. Nu uita sa adaugi si ceva protectii (ex. o siguranta automata).
- Fişiere ataşate
-

Powered by phpBB © phpBB Group.
phpBB Mobile / SEO by Artodia.