Eventualele probleme/nelamuriri tehnice generale.
Moderator: Huffy
Reguli forum
Dacă aveţi defecţiuni sau nelămuriri cu privire la maşina dumneavoastră, vă rog să căutaţi răspunsuri sau să deschideţi un subiect nou în
Secţiunea dedicată modelului dumneavoastră. Această secţiune este doar pentru
generalităţi.
de Marius Galaxy » 25 Sep 2017, 17:11
Nu îmi mai ajunge curent la panoul de control al ventilatiei,nu am sigurante arse dar nu stiu sa ajung la aeroterma. Daca mă poate ajuta cineva macar cu un sfat.Multumesc!
-
Marius Galaxy
- Incepator
-
- Mesaje: 1
- Membru din: 25 Sep 2017, 16:50
- Maşina: Ford
- VIN: WF0GXXPSWGVB89885
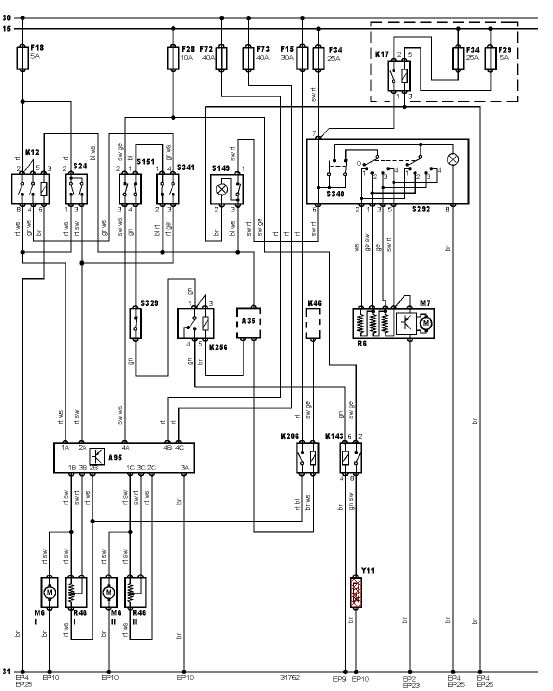
de jhonutz » 25 Sep 2017, 19:49
de obicei ca sa ajungi la aeroterma trebuie sa dai jos tot bordul. Nu cunosc in particular galaxy.
Poate te ajuta schema. Vad ca ai si un releu acolo si pack-ul de rezistori
Skoda Fabia 1.6 16V 2008
Ex Ford Focus 1.6 16V 2001
-

jhonutz
- 1nsane Member
-
- Mesaje: 12445
- Membru din: 31 Dec 2009, 12:39
- Localitate: Iasi
Înapoi la Help/Troubleshooting
Cine este conectat
Utilizatorii ce navighează pe acest forum: Niciun utilizator înregistrat şi 7 vizitatori