Help/Troubleshooting

stergator de parbriz

Eventualele probleme/nelamuriri tehnice generale.

Moderator: Huffy

Reguli forum
Dacă aveţi defecţiuni sau nelămuriri cu privire la maşina dumneavoastră, vă rog să căutaţi răspunsuri sau să deschideţi un subiect nou în Secţiunea dedicată modelului dumneavoastră. Această secţiune este doar pentru generalităţi.

stergator de parbriz

Mesajde fasconal » 12 Noi 2007, 17:26

Tocmai mi-am cumparat o maneta stergator de parbriz cu reglajul intermitentei.
In instructiunile de montaj mi se spune sa duc un fir de la intrerupator, la releul din cutia de sigurante (releu aferent stergatorului de parbriz). Nimic mai specific sau un desen ceva....
Ma poate ajuta cineva cu "instructiuni" mai clare ?
Fişiere ataşate
intermittent.jpg
intermittent.jpg (6.33 KiB) Vizualizat de 4548 ori
fasconal
1nsane Member
 
Mesaje: 1471
Membru din: 05 Oct 2007, 23:37
Localitate: Tg-Mures

Mesajde Alen » 12 Noi 2007, 17:31

era pe undeva un link cu un post al lui verga_cip parca, avea o problema asemanatoare....voia sa schimbe maneta...
daca-l gasesc, il pun...
Avatar utilizator
Alen
 
Mesaje: 7364
Membru din: 15 Apr 2007, 20:19
Localitate: Bacau
Maşina: Ford Fiesta 2007 1.4 TDCi

Mesajde fasconal » 12 Noi 2007, 17:36

Merci @alen.
Cei de European-Parts se "jura" ca maneta functioneaza la toate FF1 chiar daca din fabrica au iesit fara aceasta optiune.
fasconal
1nsane Member
 
Mesaje: 1471
Membru din: 05 Oct 2007, 23:37
Localitate: Tg-Mures

Mesajde Moadib » 12 Noi 2007, 17:51

@ fasconal .. cat dadusi pe maneta ? SH / noua piesa ...
Am inteles de la un prieten ca merge super bine, dar cand am intrebat de unde are maneta nu a vrut sa spuna , se monteaza ca una normala / stok si am inteles ca este foarte simplu ...dar cum ..nu stiu.. :(
2000 Ford fOCUS HatchBack 1.6 zetec
Acolo unde toata lumea e nebuna, nimeni nu e nebun.......(Stanislaw Lem)
WFOAXXGCDAYD25352
Avatar utilizator
Moadib
Member
 
Mesaje: 379
Membru din: 27 Sep 2007, 18:19
Localitate: Bucuresti
Maşina: Ford Focus Mk3.5

Mesajde badd0gg » 12 Noi 2007, 17:53

s-ar putea sa-ti fie de folos asta: http://www.msykes.com/focus/wipermod/index.html
De ce sa bei si sa conduci cand poti sa fumezi si sa zbori?
Avatar utilizator
badd0gg
Member
 
Mesaje: 413
Membru din: 28 Aug 2007, 01:33
Localitate: Bucuresti
Maşina: Ford Focus 2003 1.8 TDDi 90CP

Mesajde Alen » 12 Noi 2007, 18:00

ia sa vedem...e tot ala de mai sus ?
http://msykes.com/focus/wipermod/index.html

l-am luat dintr-un post al lui huffy, asa ca meritul ii apartine....

LE : tot ala e si e foarte bun, sigur iti va fi de ajutor... :wink:
topicul este aici :
http://forum.clubford.ro/viewtopic.php?t= ... &start=100
Ultima oară modificat de Alen pe 12 Noi 2007, 18:02, modificat 1 dată în total.
Avatar utilizator
Alen
 
Mesaje: 7364
Membru din: 15 Apr 2007, 20:19
Localitate: Bacau
Maşina: Ford Fiesta 2007 1.4 TDCi

Mesajde badd0gg » 12 Noi 2007, 18:01

in cazul meu meritul ii apartine batranului google ;)
De ce sa bei si sa conduci cand poti sa fumezi si sa zbori?
Avatar utilizator
badd0gg
Member
 
Mesaje: 413
Membru din: 28 Aug 2007, 01:33
Localitate: Bucuresti
Maşina: Ford Focus 2003 1.8 TDDi 90CP

Mesajde MosBabacu » 12 Noi 2007, 18:15

Sa-mi zici si mie te rog dc merge doar "plug'n'play" ca acum is in Germania si as cauta si eu pe ebay. Dc e de tras fire...o las balta.
MosBabacu
Gold Member
 
Mesaje: 587
Membru din: 18 Noi 2006, 20:27
Localitate: RO-Sibiu
Maşina: Focus 2006 1.6 TDCI 109cp Ghia+

Mesajde fasconal » 12 Noi 2007, 18:17

raspuns cu privire la maneta:

Am comandat-o de la European-Parts (http://www.european-parts.com), platita paypal, 86 euro cu transport cu tot.
fasconal
1nsane Member
 
Mesaje: 1471
Membru din: 05 Oct 2007, 23:37
Localitate: Tg-Mures

Mesajde fasconal » 12 Noi 2007, 18:20

Din pacate nu ajunge....
Asta deja am facut, dar nu am decat tot o "intermitenta" pe toate cele 6 pozitii.
Tot cei de la european parts spun :(citez) "please run new wire from plug at switch to global timer module"
Acu' sa va vad...
Ma puteti ajuta ?
fasconal
1nsane Member
 
Mesaje: 1471
Membru din: 05 Oct 2007, 23:37
Localitate: Tg-Mures

Mesajde Alen » 12 Noi 2007, 18:23

adica nu-ti apare temporizare DIFERITA ca interval de timp pe fiecare treapta in parte...acu' am inteles...
cam nasol...
ma gandesc sa-i dai un PM lui verga_cip si sa-l intrebi ce anume a obtinut prin schimbarea manetei (in cazul in care a mai schimbat-o)...doar o maneta de tip nou sau si temporizari diferite in functie de treptele selectate ?
Avatar utilizator
Alen
 
Mesaje: 7364
Membru din: 15 Apr 2007, 20:19
Localitate: Bacau
Maşina: Ford Fiesta 2007 1.4 TDCi

Mesajde DanielArdelian2 » 12 Noi 2007, 18:37

Cred ca cineva care are acces la TIS ar trebui sa se uite la schemele electrice pentru stergatoare (eu sunt la serviciu si nu te pot ajuta).

Imi aduc aminte insa ca am citit ca la Focus 1 exista o cutie care se ocupa de tot soiul de temporizari, comenzi pentru chestii de genul inchidere centralizata, stergatoare, semnalizatoare, temporizarea dezaburirii lunetei, temporizarea plafonierei, etc.
Fara sa vad schema, nu pot sa-ti spun acum mai multe.

LE: pe google gasesc referiri la "CENTRAL TIMER MODULE" care ar fi montat in spatele cutiei cu sigurante din interior.
Puteti cauta pe forum direct de pe Google. Exemplu: [ revizie ford fiesta site:clubford.ro ]
Avatar utilizator
DanielArdelian2

Brainiac
 
Mesaje: 10723
Membru din: 19 Feb 2007, 18:11
Localitate: Timisoara
Maşina: Ford Mondeo 2004, Sedan, Trend, 1.8i 125 CP, pachet nefumatori.
VIN: WF04XXGBB44E42077

Mesajde verga_Cip » 12 Noi 2007, 19:24

$1 scrie:$2aspuns cu privire la maneta:

Am comandat-o de la European-Parts (http://www.european-parts.com), platita paypal, 86 euro cu transport cu tot.


VAI DE CAPUL MEU! E 15 lire pe ebay, cu inca 10 pana in Romania!!
Avatar utilizator
verga_Cip
1nsane Member
 
Mesaje: 12705
Membru din: 17 Apr 2006, 11:04
Localitate: Bacau
Maşina: Ford Focus Mk2 2.0 TDCi 100 kw 2005

Mesajde fasconal » 12 Noi 2007, 19:37

@verga_Cip: nu mai conteaza pretul, ajuta-ma te rog cu un sfat in ce priveste montajul.
fasconal
1nsane Member
 
Mesaje: 1471
Membru din: 05 Oct 2007, 23:37
Localitate: Tg-Mures

Mesajde fasconal » 12 Noi 2007, 20:57

Nu am debransat borna bateriei inainte sa schimb maneta.
Credeti ca asta poate fi cauza pentru care nu-mi merge selectorul de temporizare?
fasconal
1nsane Member
 
Mesaje: 1471
Membru din: 05 Oct 2007, 23:37
Localitate: Tg-Mures

Mesajde DanielArdelian2 » 12 Noi 2007, 22:36

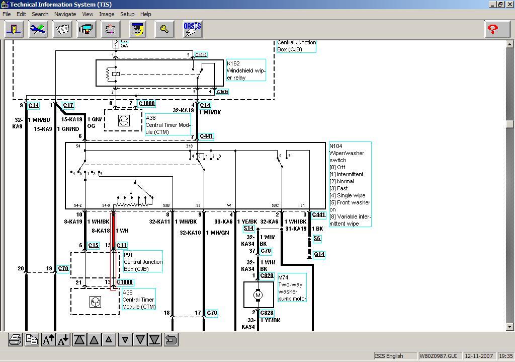
Interesant este ca la Focus, in TIS, apar doua generatii:

- Focus 1999 - 2001, unde exista variante cu si fara temporizare la scheme
- Focus 2002 - 2003, unde nu exista variante fara temporizare, dar exista variante cu senzor de ploaie

Eu suspectez ca la tine trebuie adaugata legatura dintre pinul 54-9 al comutatorului si pinul 13 al CTM (Central Timer Module). Din schema rezulta ca ar trebui sa fie un fir alb.

Dar asta tot nu explica de ce la tine nu merge si la altii a mers fara alte adaugiri. Or fi vandut si modele intermediare, cu diverse combinatii de GEM, CTM si comutator.
Poti sa incerci si varianta cu scos borna ca sa se reseteze CTM-ul.

LE: Am mazgalit cu rosu firul suspect si am atasat o poza.
Fişiere ataşate
FOCUS_I_WIPER.JPG
(113.88 KiB) Descărcat de 677 ori
FOCUS_I_WIPERS.zip
(95.47 KiB) Descărcat de 154 ori
Ultima oară modificat de DanielArdelian2 pe 12 Noi 2007, 22:40, modificat 1 dată în total.
Puteti cauta pe forum direct de pe Google. Exemplu: [ revizie ford fiesta site:clubford.ro ]
Avatar utilizator
DanielArdelian2

Brainiac
 
Mesaje: 10723
Membru din: 19 Feb 2007, 18:11
Localitate: Timisoara
Maşina: Ford Mondeo 2004, Sedan, Trend, 1.8i 125 CP, pachet nefumatori.
VIN: WF04XXGBB44E42077

Mesajde fasconal » 12 Noi 2007, 22:39

@DanielArdelian2: a mea e chiar 2004 si mai exact 06.2004.
fasconal
1nsane Member
 
Mesaje: 1471
Membru din: 05 Oct 2007, 23:37
Localitate: Tg-Mures

Mesajde DanielArdelian2 » 12 Noi 2007, 22:44

$1 scrie:$2DanielArdelian2: a mea e chiar 2004 si mai exact 06.2004.


Da, stiu, ma uitasem la VIN in Microcat, dar am mai vazut asemenea combinatii de piese de la modele din ani diferiti.

In Microcat, la VIN Minor Features scrie explicit Fixed Intermittent Wiper.

Cauta firul ala alb (presupun) si incearca sa-l adaugi daca nu este.
Puteti cauta pe forum direct de pe Google. Exemplu: [ revizie ford fiesta site:clubford.ro ]
Avatar utilizator
DanielArdelian2

Brainiac
 
Mesaje: 10723
Membru din: 19 Feb 2007, 18:11
Localitate: Timisoara
Maşina: Ford Mondeo 2004, Sedan, Trend, 1.8i 125 CP, pachet nefumatori.
VIN: WF04XXGBB44E42077

Mesajde fasconal » 12 Noi 2007, 22:47

O sa incerc, dar...(nu va suparati pe mine dar cu electricitatea nu stau bine), unde gasesc CTM-ul ?
fasconal
1nsane Member
 
Mesaje: 1471
Membru din: 05 Oct 2007, 23:37
Localitate: Tg-Mures

Mesajde DanielArdelian2 » 12 Noi 2007, 23:04

Este piesa A38 in documentul atasat si ar trebui sa se gaseasca pe spatele panoului central de sigurante.
Fişiere ataşate
CTM.zip
(56.68 KiB) Descărcat de 310 ori
Puteti cauta pe forum direct de pe Google. Exemplu: [ revizie ford fiesta site:clubford.ro ]
Avatar utilizator
DanielArdelian2

Brainiac
 
Mesaje: 10723
Membru din: 19 Feb 2007, 18:11
Localitate: Timisoara
Maşina: Ford Mondeo 2004, Sedan, Trend, 1.8i 125 CP, pachet nefumatori.
VIN: WF04XXGBB44E42077

Mesajde fasconal » 27 Ian 2008, 00:51

@DanielArdelian2: Imi lipsea intr-adevar firul facut cu "rosu" de tine.
Am tras un fir care sa ajunga pana jos la "P91 Central Junction Box" si surpriza:
n-am "A38 CTM".
Ce pot face ?
Please HELP !
fasconal
1nsane Member
 
Mesaje: 1471
Membru din: 05 Oct 2007, 23:37
Localitate: Tg-Mures

Mesajde DanielArdelian2 » 27 Ian 2008, 03:53

Imi pare rau dar nu am documentatie specifica pentru Focus dupa 2003, deci nu stiu ce sa zic.
Totusi, imi vine greu sa cred ca au eliminat CTM-ul in totalitate.
Te-ai uitat si pe spatele panoului de sigurante ? Ca am mai vazut relee si module montate si pe spate.
Puteti cauta pe forum direct de pe Google. Exemplu: [ revizie ford fiesta site:clubford.ro ]
Avatar utilizator
DanielArdelian2

Brainiac
 
Mesaje: 10723
Membru din: 19 Feb 2007, 18:11
Localitate: Timisoara
Maşina: Ford Mondeo 2004, Sedan, Trend, 1.8i 125 CP, pachet nefumatori.
VIN: WF04XXGBB44E42077

Mesajde fasconal » 27 Ian 2008, 13:02

Am demontat panoul.
Pe fata sunt sigurante si relee.
Pe partea cealalta sunt mufe. (ca in documentatia data de tine)
Exista insa o exceptie, A38, CTM-ul nu exista. In locul acestuia este o mufa oarba / moarta. Nu exista nici un "piciorus".
Am desfacut panoul pana la placa electronica.
Nu exista cablaj pe ea pentru acel CTM.
Totusi, masina are functii de timp:
- temporizare stergatoare fata/spate chiar daca cu o singura pozitie
- stingerea luminii din habitaclu dupa "n" secunde.
Cine ma poate ajuta ?
fasconal
1nsane Member
 
Mesaje: 1471
Membru din: 05 Oct 2007, 23:37
Localitate: Tg-Mures

Mesajde DanielArdelian2 » 27 Ian 2008, 14:13

Ai putea incerca sa vezi unde duce celalalt fir (cel care intra pe pinul 21 al CTM in schema anterioara).

Sa-ti spun sincer, pe baza experientei mele cu electronica, in acest moment as cam renunta la idee pana eventual as face rost de o schema mai exacta pentru modelul tau de masina (2004). Asta deoarece noi ne tot dam cu parerea studiind scheme valabile pana in 2003 si care dupa cate se vede nu corespund cu realitatea din teren. Din cate stim noi, e posibil ca la modelul 2004 sa nu mai fie valabila nici macar numerotarea pinilor la CTM, chiar daca il gasesti. Daca bagi tensiune pe un pin pe care n-ar fi trebuit sa fie, risti sa arzi CTM-ul si nu cred ca o sa fie ieftin.
Puteti cauta pe forum direct de pe Google. Exemplu: [ revizie ford fiesta site:clubford.ro ]
Avatar utilizator
DanielArdelian2

Brainiac
 
Mesaje: 10723
Membru din: 19 Feb 2007, 18:11
Localitate: Timisoara
Maşina: Ford Mondeo 2004, Sedan, Trend, 1.8i 125 CP, pachet nefumatori.
VIN: WF04XXGBB44E42077

Mesajde DanielArdelian2 » 28 Ian 2008, 20:23

@fasconal:

Am mai rasfoit astazi documentatia respectiva si am aflat ca GEM-ul se afla in zona "RH, A-pillar", ceea ce inseamna undeva sub bord, in partea dreapta.
Puteti cauta pe forum direct de pe Google. Exemplu: [ revizie ford fiesta site:clubford.ro ]
Avatar utilizator
DanielArdelian2

Brainiac
 
Mesaje: 10723
Membru din: 19 Feb 2007, 18:11
Localitate: Timisoara
Maşina: Ford Mondeo 2004, Sedan, Trend, 1.8i 125 CP, pachet nefumatori.
VIN: WF04XXGBB44E42077

Mesajde fasconal » 28 Ian 2008, 20:28

Multumesc.
O sa "rasfoiesc" putin documentatia si revin.
fasconal
1nsane Member
 
Mesaje: 1471
Membru din: 05 Oct 2007, 23:37
Localitate: Tg-Mures

Mesajde fasconal » 29 Ian 2008, 14:04

AM REUSIT !!!!
Desi in spaniola, cartea cu pricina este super buna.
Am gasit schema unde era indicat firul si cupla.
Am gasit pozitionarea cuplei: stalpul fata dreapta in spatele torpedoului.
Am gasit schema schema cuplei.
Am legat firul si ... GATA.

Multumesc tuturor pentru ajutor.
fasconal
1nsane Member
 
Mesaje: 1471
Membru din: 05 Oct 2007, 23:37
Localitate: Tg-Mures

Re: stergator de parbriz

Mesajde MadHogg » 04 Aug 2008, 11:34

salutare!
Si e aveam de gand sa ma apuc sa caut si sa imi pun si eu un bat cu inel, dar m-am uitat in bord si nici eu nu ma firul respectiv (masina e dein 2000)
Totusi, se poate sa fac cumva sa ma duc undeva sau eu stiu sa imi schimb timpul de asteptare la stergerea intermintenta ? ca m-i se pare ca sta muuult prea mult!
Avatar utilizator
MadHogg
Incepator
 
Mesaje: 63
Membru din: 27 Iul 2008, 17:06
Localitate: Brasov / Cluj
Maşina: Ford Focus 2000 1.8 TDDi 90 PS

Re: stergator de parbriz

Mesajde deejay_xb » 07 Aug 2008, 18:27

bai nici la mine nu merge :(
adica daca dau pe treptele de viteza nu schimba cu nimic...

eu am vazut ca in conectorul care intra in maneta sunt 10 pini, eu am fire puse la 9 pini din acestia 10, trebuie sa trag si firul din pinul 10 ?? unde sa il trag? :-S HEEEELP :-S

PS: nu am deconectat bateria inaintea operatiei dar banuiesc ca nu ar fi afectat cu ceva...
Imagine
Imagine
Avatar utilizator
deejay_xb
1nsane Member
 
Mesaje: 2463
Membru din: 18 Apr 2007, 12:07
Localitate: Bucuresti
Maşina: Porsche Cayenne Turbo twin-turbocharged 4.8L V8 500+ hp

Re: stergator de parbriz

Mesajde deejay_xb » 07 Aug 2008, 18:59

din tis nu mai inteleg nimic...

zice ca trebuie sa fie doar 9 pini conectati pentru a avea cele 6 viteze, daca sunt doar 8 pini conectati e fara viteze...

sa fie ca nu am deconectat bateria??
Imagine
Imagine
Avatar utilizator
deejay_xb
1nsane Member
 
Mesaje: 2463
Membru din: 18 Apr 2007, 12:07
Localitate: Bucuresti
Maşina: Porsche Cayenne Turbo twin-turbocharged 4.8L V8 500+ hp

Următorul

Înapoi la Help/Troubleshooting

Cine este conectat

Utilizatorii ce navighează pe acest forum: Niciun utilizator înregistrat şi 13 vizitatori

Cine este conectat

În total sunt 13 utilizatori conectaţi :: 0 înregistraţi, 0 invizibili şi 13 vizitatori (date care se bazează pe utilizatorii activi în ultimele 5 minute)
Cei mai mulţi utilizatori conectaţi au fost 9746 pe 02 Mar 2026, 11:01

Utilizatorii ce navighează pe acest forum: Niciun utilizator înregistrat şi 13 vizitatori

Zile de naştere

Nicio zi de naştere astăzi

Site Login