Toate subiectele in care nu s-a scris de 3 luni (15.02.2008)
Unde si cat
10 Iun 2008, 15:57
Salutare,
Am si eu nevoie de modulul ESP pentru pentru Mondeo TDCI 131 CP VIN WFOWXXGBBW3M49099, nu neaparat nou, poate fi si din desmembrari. Mersi
17 Iun 2008, 19:48
$1 scrie:$2alutare,
Am si eu nevoie de modulul ESP pentru pentru Mondeo TDCI 131 CP VIN WFOWXXGBBW3M49099, nu neaparat nou, poate fi si din desmembrari. Mersi
dar ce ai patit?
23 Iun 2008, 19:39
Mi-au zis astia de la Ford Pitesti ca as avea ceva probleme cu el, fiindca nu mi se aprinde becul ala cand pun contactul si cica s-ar putea sa nu-mi functioneze. Oricum, eu nu prea am incredere in profesionalismul celor de la Pitesti, dat fiind faptul ca eu le-am spus ca nu se aprinde, au facut IDS-ul si cand a iesit masina mi-au zis ca e in regula. I-am intrebat de ESP si au facut ochii mari, apoi au bagat-o iar pe computer si au constatat si ei ca, surpriza, becul NU se aprinde. Imi recomanzi pe cineva la care sa ma duc?
24 Iun 2008, 06:46
$1 scrie:$2i-au zis astia de la Ford Pitesti ca as avea ceva probleme cu el, fiindca nu mi se aprinde becul ala cand pun contactul si cica s-ar putea sa nu-mi functioneze. Oricum, eu nu prea am incredere in profesionalismul celor de la Pitesti, dat fiind faptul ca eu le-am spus ca nu se aprinde, au facut IDS-ul si cand a iesit masina mi-au zis ca e in regula. I-am intrebat de ESP si au facut ochii mari, apoi au bagat-o iar pe computer si au constatat si ei ca, surpriza, becul NU se aprinde. Imi recomanzi pe cineva la care sa ma duc?
dar esti sigur ca masina are esp?
ai buton de cuplare/decuplare esp in bord?
ESP-ul nu este un modul separat,face parte din blocul abs
24 Iun 2008, 09:41
daca becul nu se aprinde si esti convins ca ai esp este destul de usor sa testezi daca functioneaza. Gasesti o zona mare cu asfalt si fortezi putin in curba si vezi daca intervine. Daca palpaie martorul pe bord si auzi scartaieturi mai serioase de la roata din interiorul curbei inseamna ca functioneaza.
24 Iun 2008, 18:36
$1 scrie:$2aca becul nu se aprinde si esti convins ca ai esp este destul de usor sa testezi daca functioneaza. Gasesti o zona mare cu asfalt si fortezi putin in curba si vezi daca intervine. Daca palpaie martorul pe bord si auzi scartaieturi mai serioase de la roata din interiorul curbei inseamna ca functioneaza.
Am ESP, martorul de la ceasuri se aprinde doar la testul de becuri. Am incercat pe asfalt, nu mi s-a aprins becul, dar nici nu m-am dus cu masina in balarii...nu stiu ce sa mai zic in plus
24 Iun 2008, 18:53
$1 scrie:$2
$1 scrie:$2aca becul nu se aprinde si esti convins ca ai esp este destul de usor sa testezi daca functioneaza. Gasesti o zona mare cu asfalt si fortezi putin in curba si vezi daca intervine. Daca palpaie martorul pe bord si auzi scartaieturi mai serioase de la roata din interiorul curbei inseamna ca functioneaza.
Am ESP, martorul de la ceasuri se aprinde doar la testul de becuri. Am incercat pe asfalt, nu mi s-a aprins becul, dar nici nu m-am dus cu masina in balarii...nu stiu ce sa mai zic in plus
cand pui contactul trebuie sa se aprinda ABS si ESP
pe consola centrala sun cd-player langa butonul de deschidere portbagaj,trebuie sa ai un buton de activare/dezactivare a esp-ului
ai asa ceva??
24 Iun 2008, 19:38
Am butonul, la contact se aprinde ABS, iar la testul becurilor se aprinde si cel de ESP. In mers nu mi s-a aprins niciodata.
24 Iun 2008, 19:39
Apropo, da-mi un pm cu pretul pentru angel eyes la mondeoul meu ca mi s-a pus pata.
30 Iun 2008, 18:25
la mine stau mereu aprinse si macanicul a zis ca e senzorul de acceleratie laterala.daca aflii ceva dami si mie un semn.multam
01 Iul 2008, 08:37
$1 scrie:$2propo, da-mi un pm cu pretul pentru angel eyes la mondeoul meu ca mi s-a pus pata.
ti-am dat pm
01 Iul 2008, 09:22
$1 scrie:$2a mine stau mereu aprinse si macanicul a zis ca e senzorul de acceleratie laterala.daca aflii ceva dami si mie un semn.multam
am senzorul de acceleratie laterala
il vrei?
01 Iul 2008, 18:42
Poate sa-mi spuna cineva unde e situat modulul de ABS/ESP, pentru ca vreau sa vad si eu in ce stare se afla, intrucat nu mai am incredere in angajatii Ford locali?
02 Iul 2008, 18:25
$1 scrie:$2oate sa-mi spuna cineva unde e situat modulul de ABS/ESP, pentru ca vreau sa vad si eu in ce stare se afla, intrucat nu mai am incredere in angajatii Ford locali?
in spatele servofranei unde pui lichidul de frana
04 Iul 2008, 18:08
$1 scrie:$2in spatele servofranei unde pui lichidul de frana
Banuiesc ca se vede cu ochiul liber, nu trebuie data pompa de frana jos, nu?
04 Iul 2008, 20:00
$1 scrie:$2
$1 scrie:$2in spatele servofranei unde pui lichidul de frana
Banuiesc ca se vede cu ochiul liber, nu trebuie data pompa de frana jos, nu?
da,trebuie dat jos carcasa filtrului de aer
22 Iul 2008, 12:54
Ce conexiuni as putea sa verific la modulul esp ca sa vad daca este conctat/functional. Imi poate trimite cineva o poza cu acest modul, ca sa nu imi prind urechile?
02 Aug 2008, 22:21
salut ai vb cu omul acela BURCE A?are esp ?
04 Aug 2008, 17:16
$1 scrie:$2m butonul, la contact se aprinde ABS, iar la testul becurilor se aprinde si cel de ESP. In mers nu mi s-a aprins niciodata.
Man, nu te baza pe testul ledurilor. Eu pe masina mea NU am ESP, nici buton... dar cand fac testul de leduri se aprinde si cel de ESP.
Cel mai bine verifici ce dotari are masina folosind VIN-ul. Exista un topic pe forum, unde niste colegi iti afla dotarile masine folosind vin-ul tau.
Iar daca ai luat masina SH, butonul putea fi pus la misto acolo de samsari... sper sa nu fie cazul, totusi.
Bafta
04 Aug 2008, 20:38
Am instalat acu Microcat si reiese are ESP, numai ca nu prea mi-am dat eu seama unde vine...chestia ciudata e ca astia de la Ford Pitesti mi-au spus ca au incercat sa instaleze din nou modulul ESP ??? si ca este o procedura care trebuie urmata, ceva cu rotitul rotilor stanga-dreapta bla bla bla si ca, la un moment dat, a dat "conexiune intrerupta" sau ceva de genul asta...parerea lor a fost ca tre sa duc masina in service de dimineata, sa o las pana seara ca sa aiba ei timp sa isi dea seama despre ce e vorba.
08 Ian 2009, 18:08
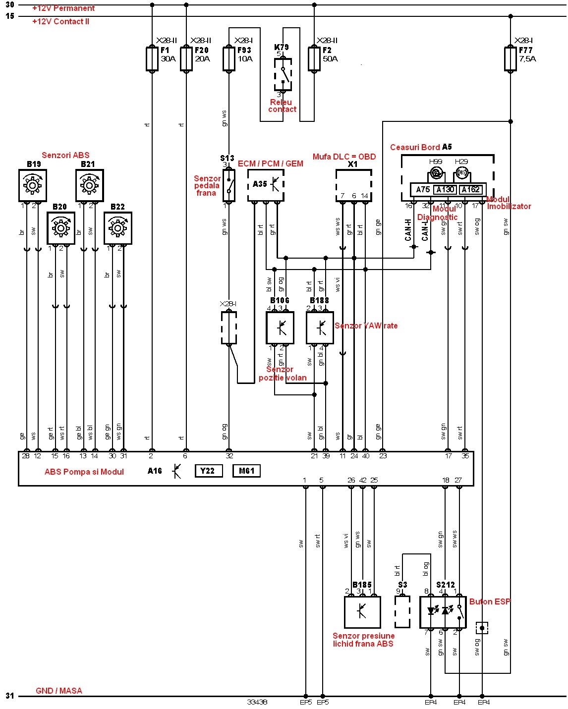
Revin cu probl ESP. Asa cum am mai zis si in alte posturi, sistemul nu functioneaza la mine. Am observat ca butonul ESP se aprinde la contact, daca stau cu masina la relanti si apas succesiv pe buton acesta cupleaza/decupleaza ESP (fara ca indicatorul din bord sa se aprinda, totusi). Bun, daca plec de pe loc si apas butonul dupa cateva minute, acesta nu mai cupleaza. Am dat jos ceasurile de bord sa verif daca este umblat pe la contacte pe acolo, la prima vedere s-ar parea ca toate sunt in regula. M-am uitat si la volan cu ocazia asta, o sa se vada in pozele atasate ce e pe acolo. Sincer sa fiu, mi-ar trebui o schema (am inteles ca e disponibila in AutoData) cu circuitul corespunzator ESP, ca sa vad ce ar putea sa fie la mijloc. De asemenea, m-ar ajuta daca un coleg de pe forum care are Mondeo dotat cu ESP (functional

)mi-ar putea pune la dispozitie o poza cu pozitia volanului si a modulului ESP, ca sa vad daca e vreo diferenta. Astept cu mare nerabdare parerile, opiniile sau sfaturile voastre, in special ale celor care au cunostinte despre electronica (nu e domeniul meu forte, din pacate, dar sunt dispus sa invat)
- FiÅŸiere ataÅŸate
-

-

-

-

-

08 Ian 2009, 22:10
Am promis ca iti dau schema .. si pe bune de nu stiam ca ti-am dat-o.
Am verificat in mesageria privata si vad ca nu ti-am raspuns la mesaj.. foarte ciudat...
De asemenea m-am uitat in folderul in care salvez imaginile de AutoData care le pun pe forum si nici acolo nu am gasit schema salvata ... si mai ciudat .. oi fi visat .. in fine.. ai schema mai jos.
08 Ian 2009, 23:34
Ce inseamna senzorul YAW RATE, e cumva senzor de acceleratie laterala?
09 Ian 2009, 17:45
Mersi mult DGAlexandru ! M-am uitat pe schema si, sincer sa fiu, m-am speriat. Nici macar nu stiu de unde si ce sa verific mai intai. Avand in vedere faptul ca nu se aprinde becul ESP la contact, ma gandesc ca ar fi intrerupt vreun fir intre modulul ESP si ceasurile de bord?
In situatia asta, de ce cand am pus-o pe tester a dat eroarea asta?
.
De asemenea, senzorul pozitie volan este unul si acelasi cu cel de YAW Rate, sau sunt pozitionati in acelasi loc?
09 Ian 2009, 21:26
Din pacate mai multe despre ESP nu stiu.
Daca senzorul pozitie volan era acelasi cu senzorul YAW rate atunci ar fi aparut pe schema in acelasi chenar... oricum poti verifica dupa cabluri .. conform pozei sunt 4 fire la senzorul de pozitie volan.. verifica ce culori au cu cele de pe schema.
Ar trebui facute niste teste:
Scoti mufa din senzorul pozitie volan si vezi cum reactioneaza ESP-ul in timpul mersului.
Dai senzorul jos de pe volan, ii pui mufa si vezi iar cum reactioneaza ESP-ul in timpul mersului.
Opresti si pornesti iar motorul si vezi ce se intampla daca actionezi tu senzorul... tot in timpul mersului - pentru aceasta operatiune ar trebui sa mai fie cineva in masina.
Pui rezultatele aici si incercam sa ne dam cu parerea...
10 Ian 2009, 02:41
Am dat intamplator peste o diagrama cu pozitile diversilor senzori de pe Mondeo MK3.. YAW Rate Sensor e undeva jos, in consola centrala, sub unitatea audio, in fata schimbatorului de viteze.
10 Ian 2009, 14:10
Poti sa mi-o trimiti si mie, te rog?
10 Ian 2009, 14:39
$1 scrie:$2oti sa mi-o trimiti si mie, te rog?
Nu e relevanta .. e o imagine desenata cu interiorul unei masini si diverse buline numerotate pe ea, fiecare bulina insemnand un senzor sau modul electronic.
10 Ian 2009, 18:03
Uite ce am gasit eu referitor la sistemul ESP in "HAYNES"
- FiÅŸiere ataÅŸate
-

Powered by phpBB © phpBB Group.
phpBB Mobile / SEO by Artodia.