Toate subiectele in care nu s-a scris de 3 luni (15.02.2008)
Unde si cat
29 Mar 2011, 21:52
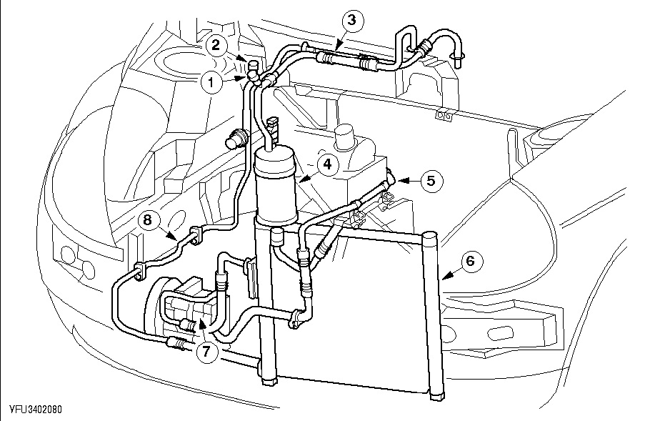
Caut o conducta de aer conditionat. Este numarul 8 din poza atasata... denumire ford... HIGH-PRESSURE PIPE
Multumesc
- Fişiere ataşate
-

Powered by phpBB © phpBB Group.
phpBB Mobile / SEO by Artodia.