Cumpar conducta AC pt. Ka 2003
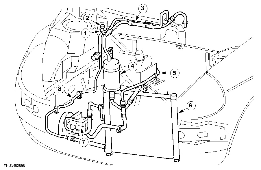
Caut o conducta de aer conditionat. Este numarul 8 din poza atasata... denumire ford... HIGH-PRESSURE PIPE
Multumesc
Multumesc
-

ccezar2004 - Ford Freak
- Mesaje: 158
- Membru din: 10 Iun 2007, 17:49
- Localitate: .ro
- Maşina: Ford KA 1.3