Cumparare

Caut furtun legatura intre egr si intercooler

Toate subiectele in care nu s-a scris de 3 luni (15.02.2008)
Unde si cat

Moderatori: KomandantuR, adicristea

Caut furtun legatura intre egr si intercooler

Mesajde DAN CDM » 05 Dec 2011, 21:13

Am nevoie de un furtun care face lagatura intre EGR si Intercooler pentru un Ford Connect 1.8 TDCi 2010
Fişiere ataşate
IMG_08142.jpg
DAN CDM
Incepator
 
Mesaje: 2
Membru din: 05 Dec 2011, 19:03
Maşina: ford conect 18 tdci 2010 55kw
VIN: WFOTXXERPTAM93851

Re: Caut furtun legatura intre egr si intercooler

Mesajde capoda » 06 Dec 2011, 09:05

Este furtunul acela gros? incadreaza in poza cu ceva furtunul care il cauti.
[b]Gelu: 0732 767 903 / 0756 056 340 YM: capodaautocj [/b]

http://capoda.ro" target="_blank
capoda
Member
 
Mesaje: 342
Membru din: 17 Mai 2011, 12:39
Localitate: Cluj

Re: Caut furtun legatura intre egr si intercooler

Mesajde DAN CDM » 06 Dec 2011, 10:10

Da, este furtunul gros din centrul imaginii, in prim plan.
DAN CDM
Incepator
 
Mesaje: 2
Membru din: 05 Dec 2011, 19:03
Maşina: ford conect 18 tdci 2010 55kw
VIN: WFOTXXERPTAM93851

Re: Caut furtun legatura intre egr si intercooler

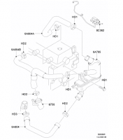
Mesajde capoda » 06 Dec 2011, 10:53

poti sa identifici furtunul din schita atasata?
Fişiere ataşate
furtun.png
[b]Gelu: 0732 767 903 / 0756 056 340 YM: capodaautocj [/b]

http://capoda.ro" target="_blank
capoda
Member
 
Mesaje: 342
Membru din: 17 Mai 2011, 12:39
Localitate: Cluj

Re: Caut furtun legatura intre egr si intercooler

Mesajde mihaimssc » 18 Ian 2012, 14:51

am nevoie de un furtun pentru intercooler.
Ford mondeo TDDI , af 2001 , motor ford D6BA , 85 kw , 1998 cmc.
Detalii : In partea stanga a motorului (uitandu-te de la sofer ) sunt 2 furtune care fac legatura de la EGR la Intercooler . Eu am nevoie de primul furtun ( cel care pleaca de la EGR ) .
Este un furtun gros , in forma de Z , un pic stramb , diametrul interior este de 56 mm


tel: 0745912826

Multumesc
mihaimssc
Incepator
 
Mesaje: 2
Membru din: 20 Ian 2011, 12:35
Maşina: ford mondeo , 2001 , tddi , 115cp , standard

Re: Caut furtun legatura intre egr si intercooler

Mesajde mirceamiron » 18 Ian 2012, 19:12

Nimic din ceea ce este scris cu litere mici nu este favorabil.
Ceea ce dau paragrafele scrise cu litere mari este anulat de paragrafele scrise cu litere mici.
Avatar utilizator
mirceamiron
1nsane Member
 
Mesaje: 1325
Membru din: 04 Sep 2009, 23:22
Maşina: Ford, focus, 2012, 1,6 tdci,
VIN: WF0LXXGCBLCT21475


Înapoi la Cumparare

Cine este conectat

Utilizatorii ce navighează pe acest forum: Niciun utilizator înregistrat şi 2 vizitatori

cron

Cine este conectat

În total sunt 2 utilizatori conectaţi :: 0 înregistraţi, 0 invizibili şi 2 vizitatori (date care se bazează pe utilizatorii activi în ultimele 5 minute)
Cei mai mulţi utilizatori conectaţi au fost 2573 pe 30 Sep 2024, 17:07

Utilizatorii ce navighează pe acest forum: Niciun utilizator înregistrat şi 2 vizitatori

Zile de naştere

Nicio zi de naştere astăzi

Site Login