Help/Troubleshooting

BCM Caseta siguranțe sub volan faza scurta "moarta"!

Eventualele probleme/nelamuriri tehnice generale.

Moderator: Huffy

Reguli forum
Dacă aveţi defecţiuni sau nelămuriri cu privire la maşina dumneavoastră, vă rog să căutaţi răspunsuri sau să deschideţi un subiect nou în Secţiunea dedicată modelului dumneavoastră. Această secţiune este doar pentru generalităţi.

BCM Caseta siguranțe sub volan faza scurta "moarta"!

Mesajde sierra2.0i » 24 Iul 2022, 18:36

Deși am postat și la secțiunea dedicată Ranger, se pare că suntem putini pe acest forum!


Așa că......cu toate consecințele, postez și aici, unde pare mai aproape de subiect.

"Salutare forumiști!

A trecut ceva vreme de când n-am mai postat!

Am trecut la un Ranger 2.2 Limited!

S-a oprit faza scurtă după ce am pus leduri pe faruri, cu așa zis anulator de eroare din comerțul socialist (chinezării).
Nu m-am dus capul sa modific setările in calculator (are opțiunea asta și am și cu ce!!!!!).

Am rezolvat pragmatic la momentul respectiv, cu un releu.....și ceva cunoștințe....doar sunt in domeniu...dar nu mă simt confortabil cu soluția deoarece BCM-ul (Body Control Module) ---e blocat și dacă mai alte probleme nu se pot reseta.

Acu' ceva timp, după îndelungi căutări am ajuns la concluzia că îmi trebuie și un UPA-USB, că să-l rescriu/resetez.
L-am cumpărat!

Sunt sute de thread-uri pe net referitoare la acest "defect" la Ranger.
După 5 arderi de bec far, sau.....pus led-uri, intra in acest mod SSR-ul din BCM (măcar doar pe partea de bec far la mine.....că poate să fie și cu complicații).

Are cineva ceva "reset" la activ pe acesta?

Deși am înțeles cum e procedura și m-am "jucat" și cu programatorul UPA-USB, dar nu pe BCM-ul meu, nu-mi este clar ce trebuie sa rescriu, care dintre liniile de program, deoarece nu vrea nimeni sa spună în clar.....fără bani!

Pe alt forum, de unde sunt și următoarele poze, trebuie să plătești..... înscrierea.....și eu sunt "zgârcit".....doar pentru faptul că mă pricep și nu suport să nu o fac singur!

Orice sfat este binevenit și cu mulțumiri anticipate și ulterioare!
Am fost destul de telegrafic și specific, deoarece sper la un răspuns în cunoștință de cauză, tehnic!"
Fişiere ataşate
Screenshot_20220704_004636_com.opera.browser.jpg
Screenshot_20220704_005526.jpg
Daca e oval si e abastru e MASINA!
!!!EX!!! : Sierra 2.0i/100CP/1988
!!!EX!!! : Mondeo2.0 TDCI/130CP/2002
!!!EX!!! : Fiesta 1,4i/2006
!!!EX!!! : HYUNDAI IX35/2.0i/160CP/4x4/2010
!!!EX!!! : RANGER 2,5TD/109CP/4X4/2008!!!!!!!!
(Fabricat pentru Senegal!!! UNICAT in Europa)
!!!EX!!! : Kuga ST 1,5/180CP/AWD/Iun2019
!!!EX!!! : KA 1,3/2008
!!!ACTUAL!!! : RANGER 2,2 TDCI/150CP/4X4/2014
!!!ACTUAL!!! : Kuga ST Hybrid 2,5/220 CP/AWD/DEC 2022
Avatar utilizator
sierra2.0i
Ford Freak
 
Mesaje: 164
Membru din: 25 Mai 2007, 12:33
Localitate: Ploiesti
Maşina: Ranger 2.2, Ka 1.3, Kuga ST Hybrid 2,5
VIN: VINNUCANUMERGTREI

Re: BCM Caseta siguranțe sub volan faza scurta "moarta"!

Mesajde Artanis94 » 25 Iul 2022, 08:20

@jeffe - crezi ca poti ajuta omul cu problema?
Mondeo MK4 2.0i 145CP - viewtopic.php?f=15&t=128404
Avatar utilizator
Artanis94
1nsane Member
 
Mesaje: 1297
Membru din: 22 Mai 2019, 14:48
Localitate: Iasi & Bacau
Maşina: Mondeo MK4 2.0i Duratec 145CP

Re: BCM Caseta siguranțe sub volan faza scurta "moarta"!

Mesajde jeffe » 25 Iul 2022, 09:11

Nu, deloc. M-am tot uitat la postul lui si nu inteleg nimic. Probabil Ranger-ul asta e diferit de modelele noastre.
2016 Mondeo Titanium 2.0TDCi 180CP, Powershift, Deep Impact Blue
2008 Focus Cabriolet Titanium 2.0 Duratec-HE 145CP, MT, Acqua Blue
2014 Ford Mondeo Titanium 2.0 Ecoboost 240CP, MT, Blazer Blue
2012 Ford Mondeo Trend 2.0 TDCi 163CP, MT, Lunar Sky
2005 Ford Escape Hybrid 2.3 AT, AWD, Light Tundra
2011 Ford Focus Trend 1.6 TDCi 115CP, MT, Moondust Silver
Mondeo Mk3 2007, Mondeo Mk4 2010, Mondeo Mk3 2001, Mondeo Mk4 2011, Kuga Mk1 2011, Kuga Mk2 2015, Kuga Mk2 2017, Galaxy Mk2 2011, Mondeo Mk5 2015,Focus Mk2 2006, Mondeo Mk4 2009, Kuga Mk1 2012, Mustang 2015, Edge 2016
Avatar utilizator
jeffe
 
Mesaje: 4788
Membru din: 28 Iul 2009, 15:26
Localitate: Bucuresti
Maşina: Mondeo Mk5 2016, 2.0 TDCi 150CP, Titanium
VIN: WF0EXXWPCEFTXXXXX

Re: BCM Caseta siguranțe sub volan faza scurta "moarta"!

Mesajde sierra2.0i » 25 Iul 2022, 09:29

Salut,

Poate e mai clar asa:

U1000+u3000 coduri de eroare!

https://www.youtube.com/watch?v=oDwHqtMJk98

SAU:

https://www.youtube.com/watch?v=aFHQv5tilcs

Imi trebuie sa stiu precis ce linii trebuie sa le trec in "FF" in HEXA, astfel incat sa dispara codurile de eroare, adica sa "virginizez" BCM-ul ca si din fabrica.

Adica D-flash reset/rescriere.

Multumesc mult pentru interes!

Catalin
Daca e oval si e abastru e MASINA!
!!!EX!!! : Sierra 2.0i/100CP/1988
!!!EX!!! : Mondeo2.0 TDCI/130CP/2002
!!!EX!!! : Fiesta 1,4i/2006
!!!EX!!! : HYUNDAI IX35/2.0i/160CP/4x4/2010
!!!EX!!! : RANGER 2,5TD/109CP/4X4/2008!!!!!!!!
(Fabricat pentru Senegal!!! UNICAT in Europa)
!!!EX!!! : Kuga ST 1,5/180CP/AWD/Iun2019
!!!EX!!! : KA 1,3/2008
!!!ACTUAL!!! : RANGER 2,2 TDCI/150CP/4X4/2014
!!!ACTUAL!!! : Kuga ST Hybrid 2,5/220 CP/AWD/DEC 2022
Avatar utilizator
sierra2.0i
Ford Freak
 
Mesaje: 164
Membru din: 25 Mai 2007, 12:33
Localitate: Ploiesti
Maşina: Ranger 2.2, Ka 1.3, Kuga ST Hybrid 2,5
VIN: VINNUCANUMERGTREI

Re: BCM Caseta siguranțe sub volan faza scurta "moarta"!

Mesajde jeffe » 25 Iul 2022, 09:47

Ah, m-am prins. Nu imi bag nasul in asa ceva, dar nu pare foarte complexa problema.
In esenta nu e extrem de complicat: BCM-urile moderne nu se mai bazeaza pe fuzibile pentru anumite circuite ci fac treaba cu tranzistori MOS-FET. Astfel, atunci cand este depistata o problema circuitul este blocat pentru un timp. Daca problema persista foarte mult (10-20 cicluri de pornire) atunci circuitul este blocat pentru un interval de timp mai mare, la extrem de multe cicluri (30-40) se blocheaza definitiv si se stocheaza un mesaj de eroare care indica faptul ca BCM-ul trebuie inlocuit (U3000 - internal fault).
In cazul tau trebuie sa te conectezi direct la procesor, sa ii citesti memoria interna si sa ii suprascrii zona in care pastreaza contorii de erori.
Nu am programator pentru tipul ala de procesor, din pacate si nici nu ma simt confortabil sa imi bag nasul in asa ceva. Daca pateam asta la masina mea imi cumparam un alt BCM din dezmembrari.
2016 Mondeo Titanium 2.0TDCi 180CP, Powershift, Deep Impact Blue
2008 Focus Cabriolet Titanium 2.0 Duratec-HE 145CP, MT, Acqua Blue
2014 Ford Mondeo Titanium 2.0 Ecoboost 240CP, MT, Blazer Blue
2012 Ford Mondeo Trend 2.0 TDCi 163CP, MT, Lunar Sky
2005 Ford Escape Hybrid 2.3 AT, AWD, Light Tundra
2011 Ford Focus Trend 1.6 TDCi 115CP, MT, Moondust Silver
Mondeo Mk3 2007, Mondeo Mk4 2010, Mondeo Mk3 2001, Mondeo Mk4 2011, Kuga Mk1 2011, Kuga Mk2 2015, Kuga Mk2 2017, Galaxy Mk2 2011, Mondeo Mk5 2015,Focus Mk2 2006, Mondeo Mk4 2009, Kuga Mk1 2012, Mustang 2015, Edge 2016
Avatar utilizator
jeffe
 
Mesaje: 4788
Membru din: 28 Iul 2009, 15:26
Localitate: Bucuresti
Maşina: Mondeo Mk5 2016, 2.0 TDCi 150CP, Titanium
VIN: WF0EXXWPCEFTXXXXX

Re: BCM Caseta siguranțe sub volan faza scurta "moarta"!

Mesajde sierra2.0i » 25 Iul 2022, 09:56

$1 scrie:$2h, m-am prins. Nu imi bag nasul in asa ceva, dar nu pare foarte complexa problema.
In esenta nu e extrem de complicat: BCM-urile moderne nu se mai bazeaza pe fuzibile pentru anumite circuite ci fac treaba cu tranzistori MOS-FET. Astfel, atunci cand este depistata o problema circuitul este blocat pentru un timp. Daca problema persista foarte mult (10-20 cicluri de pornire) atunci circuitul este blocat pentru un interval de timp mai mare, la extrem de multe cicluri (30-40) se blocheaza definitiv si se stocheaza un mesaj de eroare care indica faptul ca BCM-ul trebuie inlocuit (U3000 - internal fault).
In cazul tau trebuie sa te conectezi direct la procesor, sa ii citesti memoria interna si sa ii suprascrii zona in care pastreaza contorii de erori.
Nu am programator pentru tipul ala de procesor, din pacate si nici nu ma simt confortabil sa imi bag nasul in asa ceva. Daca pateam asta la masina mea imi cumparam un alt BCM din dezmembrari.


Corect!
m-am gandit si eu sa iau unul din dezmembrari.......dar a urmat intrebarea:

"De cate ori s-a ars faza scurta pe acel BCM?"

Si aici trebuie sa "multumesc" celor de la Ford, ca pe Ranger BCM-ul se blocheaza dupa 5 cicluri de scurt/consum peste limita admisa, sau intrerupere filament sau contact imperfect la conexiuni!!!!!!!! Pe faza scurta!!!

Nu-i rau la ce s-au gandit, fiind masina de teren, toti tind sa puna proiectoare, si alte lumini, pe faza scurta pentru offroad!

Instalatia electrica/cablurile sunt dimensionate la limita consumatorilor standard, si poate sa apara "topirea" instalatiei!!!!

Ce ziceam in mesajul de inceput SSR, ai replicat tu MOS-FET adica elementul final, nu-i ars!

Pacat sa arunc o gramada de plastic, microcontrolere, MOS-FET-uri, PCB, siguramte etc, daca merge rescris cu UPA-USB, pe care deja l-am achizitionat si reglat (l-am modificat, astfel incat sa functioneze, fiind clona chinezeasca avea ceva probleme pe generarea de tensiuni de "deblocare" scriere memorii, adica tensiunile generate intern, iar acum la teste, cu programul lui nu mai am nici o eroare).

Catalin
Daca e oval si e abastru e MASINA!
!!!EX!!! : Sierra 2.0i/100CP/1988
!!!EX!!! : Mondeo2.0 TDCI/130CP/2002
!!!EX!!! : Fiesta 1,4i/2006
!!!EX!!! : HYUNDAI IX35/2.0i/160CP/4x4/2010
!!!EX!!! : RANGER 2,5TD/109CP/4X4/2008!!!!!!!!
(Fabricat pentru Senegal!!! UNICAT in Europa)
!!!EX!!! : Kuga ST 1,5/180CP/AWD/Iun2019
!!!EX!!! : KA 1,3/2008
!!!ACTUAL!!! : RANGER 2,2 TDCI/150CP/4X4/2014
!!!ACTUAL!!! : Kuga ST Hybrid 2,5/220 CP/AWD/DEC 2022
Avatar utilizator
sierra2.0i
Ford Freak
 
Mesaje: 164
Membru din: 25 Mai 2007, 12:33
Localitate: Ploiesti
Maşina: Ranger 2.2, Ka 1.3, Kuga ST Hybrid 2,5
VIN: VINNUCANUMERGTREI

Re: BCM Caseta siguranțe sub volan faza scurta "moarta"!

Mesajde jeffe » 25 Iul 2022, 10:16

Eh, nu ii "multumi" lui Ford pentru ca si-a facut treaba :)
Daca montai ceva conform si respectai procedurile date de producator nu aveai problema asta. Masina e prevazuta cu circuite auxiliare pentru lampi suplimentare si gasesti toate informatiile necesare la Ford, la Vehicle Conversions. Iar la faruri nu ne jucam cu improvizatii si chinezarii, nu? :)

Da, sunt de acord cu tine ca se poate resuscita asta, da' chestia este ca e fina operatiunea. Orice-ai face cu EEPROM-ul ala fa mai intai un backup pentru ca in memoria aceea sunt stocate si alte informatii, in special cele legate de imobilizator si nu vei putea porni masina daca se intampla ceva.
2016 Mondeo Titanium 2.0TDCi 180CP, Powershift, Deep Impact Blue
2008 Focus Cabriolet Titanium 2.0 Duratec-HE 145CP, MT, Acqua Blue
2014 Ford Mondeo Titanium 2.0 Ecoboost 240CP, MT, Blazer Blue
2012 Ford Mondeo Trend 2.0 TDCi 163CP, MT, Lunar Sky
2005 Ford Escape Hybrid 2.3 AT, AWD, Light Tundra
2011 Ford Focus Trend 1.6 TDCi 115CP, MT, Moondust Silver
Mondeo Mk3 2007, Mondeo Mk4 2010, Mondeo Mk3 2001, Mondeo Mk4 2011, Kuga Mk1 2011, Kuga Mk2 2015, Kuga Mk2 2017, Galaxy Mk2 2011, Mondeo Mk5 2015,Focus Mk2 2006, Mondeo Mk4 2009, Kuga Mk1 2012, Mustang 2015, Edge 2016
Avatar utilizator
jeffe
 
Mesaje: 4788
Membru din: 28 Iul 2009, 15:26
Localitate: Bucuresti
Maşina: Mondeo Mk5 2016, 2.0 TDCi 150CP, Titanium
VIN: WF0EXXWPCEFTXXXXX

Re: BCM Caseta siguranțe sub volan faza scurta "moarta"!

Mesajde sierra2.0i » 25 Iul 2022, 10:34

$1 scrie:$2h, nu ii "multumi" lui Ford pentru ca si-a facut treaba :)
Daca montai ceva conform si respectai procedurile date de producator nu aveai problema asta. Masina e prevazuta cu circuite auxiliare pentru lampi suplimentare si gasesti toate informatiile necesare la Ford, la Vehicle Conversions. Iar la faruri nu ne jucam cu improvizatii si chinezarii, nu? :)

Da, sunt de acord cu tine ca se poate resuscita asta, da' chestia este ca e fina operatiunea. Orice-ai face cu EEPROM-ul ala fa mai intai un backup pentru ca in memoria aceea sunt stocate si alte informatii, in special cele legate de imobilizator si nu vei putea porni masina daca se intampla ceva.


Tocmai de aceea nu m-am apucat de ea!

Backup este de la sine inteles!

"Daca montai ceva conform si respectai procedurile date de producator nu aveai problema asta. "

Mi-am pus cenusa in cap de la primul mesaj, ca nu am schimbat configuratia pe LED....desi am cu ce!!!

"Masina e prevazuta cu circuite auxiliare pentru lampi suplimentare"

Nu toate!

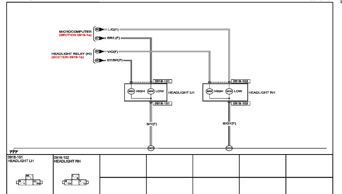
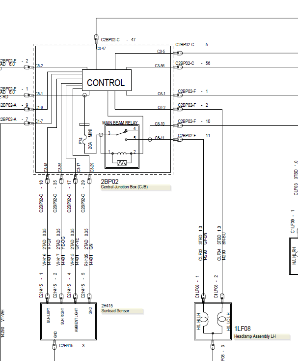
Vezi schema!

SSR-ul/MOS-FET-ul este pe faza scurta, DRL, pozitie.......nu pe faza lunga!!!!

DAR singura care face probleme cu 5 contorizari e faza scurta!

Am led-uri pe stop frana superior hard-top si lampi numar(spate normal)....si doar imi "spune" ca e o problema....dar le ignora si le si alimenteaza!

Asta e iar ciudat!!!

"cele legate de imobilizator si nu vei putea porni masina daca se intampla ceva"

Am CC-ul (Central Configuration) luat de la FORD, si am si cu ce sa-l scriu......in caz de mare necaz!
Fişiere ataşate
2022-07-25_112828.png
2022-07-25_112742.png
2022-07-25_112148.png
Daca e oval si e abastru e MASINA!
!!!EX!!! : Sierra 2.0i/100CP/1988
!!!EX!!! : Mondeo2.0 TDCI/130CP/2002
!!!EX!!! : Fiesta 1,4i/2006
!!!EX!!! : HYUNDAI IX35/2.0i/160CP/4x4/2010
!!!EX!!! : RANGER 2,5TD/109CP/4X4/2008!!!!!!!!
(Fabricat pentru Senegal!!! UNICAT in Europa)
!!!EX!!! : Kuga ST 1,5/180CP/AWD/Iun2019
!!!EX!!! : KA 1,3/2008
!!!ACTUAL!!! : RANGER 2,2 TDCI/150CP/4X4/2014
!!!ACTUAL!!! : Kuga ST Hybrid 2,5/220 CP/AWD/DEC 2022
Avatar utilizator
sierra2.0i
Ford Freak
 
Mesaje: 164
Membru din: 25 Mai 2007, 12:33
Localitate: Ploiesti
Maşina: Ranger 2.2, Ka 1.3, Kuga ST Hybrid 2,5
VIN: VINNUCANUMERGTREI

Re: BCM Caseta siguranțe sub volan faza scurta "moarta"!

Mesajde jeffe » 25 Iul 2022, 10:51

Pentru faza lunga folosesti intotdeauna relee, nu te legi direct la circuitele masinii. Pentru pozitii si frane folosesti modulul de trailer.

CCC-ul este configuratia, ala este OK, il pui la loc foarte usor cu Forscan. Dar in EEPROM ai si seed data pentru imobilizator si ID-urile transponderelor.
2016 Mondeo Titanium 2.0TDCi 180CP, Powershift, Deep Impact Blue
2008 Focus Cabriolet Titanium 2.0 Duratec-HE 145CP, MT, Acqua Blue
2014 Ford Mondeo Titanium 2.0 Ecoboost 240CP, MT, Blazer Blue
2012 Ford Mondeo Trend 2.0 TDCi 163CP, MT, Lunar Sky
2005 Ford Escape Hybrid 2.3 AT, AWD, Light Tundra
2011 Ford Focus Trend 1.6 TDCi 115CP, MT, Moondust Silver
Mondeo Mk3 2007, Mondeo Mk4 2010, Mondeo Mk3 2001, Mondeo Mk4 2011, Kuga Mk1 2011, Kuga Mk2 2015, Kuga Mk2 2017, Galaxy Mk2 2011, Mondeo Mk5 2015,Focus Mk2 2006, Mondeo Mk4 2009, Kuga Mk1 2012, Mustang 2015, Edge 2016
Avatar utilizator
jeffe
 
Mesaje: 4788
Membru din: 28 Iul 2009, 15:26
Localitate: Bucuresti
Maşina: Mondeo Mk5 2016, 2.0 TDCi 150CP, Titanium
VIN: WF0EXXWPCEFTXXXXX

Re: BCM Caseta siguranțe sub volan faza scurta "moarta"!

Mesajde sierra2.0i » 25 Iul 2022, 11:03

$1 scrie:$2entru faza lunga folosesti intotdeauna relee, nu te legi direct la circuitele masinii. Pentru pozitii si frane folosesti modulul de trailer.

CCC-ul este configuratia, ala este OK, il pui la loc foarte usor cu Forscan. Dar in EEPROM ai si seed data pentru imobilizator si ID-urile transponderelor.



"Pentru pozitii si frane folosesti modulul de trailer."

Asta trece in modul "Trailer stability control" daca are consumatori pe mufa de remorca!

Problema e destul de comuna, dar nu-mi iese.....ca la noi pe forum nu s-a dezvoltat!!!! Cel putin pana acum!

A mai incercat cineva o intrebare (parca cu un 3,2L) ca a avut o problema cu faza lunga dreapta.....dar fara raspuns:

viewtopic.php?f=104&t=123550&p=1678543&hilit=ranger+probleme+faza+scurta#p1678543

Ca tot ziceai mai devreme cu FORscan:
Fişiere ataşate
2022-07-25_115842.png
Daca e oval si e abastru e MASINA!
!!!EX!!! : Sierra 2.0i/100CP/1988
!!!EX!!! : Mondeo2.0 TDCI/130CP/2002
!!!EX!!! : Fiesta 1,4i/2006
!!!EX!!! : HYUNDAI IX35/2.0i/160CP/4x4/2010
!!!EX!!! : RANGER 2,5TD/109CP/4X4/2008!!!!!!!!
(Fabricat pentru Senegal!!! UNICAT in Europa)
!!!EX!!! : Kuga ST 1,5/180CP/AWD/Iun2019
!!!EX!!! : KA 1,3/2008
!!!ACTUAL!!! : RANGER 2,2 TDCI/150CP/4X4/2014
!!!ACTUAL!!! : Kuga ST Hybrid 2,5/220 CP/AWD/DEC 2022
Avatar utilizator
sierra2.0i
Ford Freak
 
Mesaje: 164
Membru din: 25 Mai 2007, 12:33
Localitate: Ploiesti
Maşina: Ranger 2.2, Ka 1.3, Kuga ST Hybrid 2,5
VIN: VINNUCANUMERGTREI

Re: BCM Caseta siguranțe sub volan faza scurta "moarta"!

Mesajde jeffe » 25 Iul 2022, 11:29

Uite manualul pentru conversii after-market pentru Ranger, o sa gasesti multe informatii utile in el, in linii mari ce ti-am spus si eu mai sus, da' mai detaliat. Manualul asta poate fi obtinut gratis de la orice dealer Ford.
https://www.ford.com.au/content/dam/For ... %20MKl.pdf
2016 Mondeo Titanium 2.0TDCi 180CP, Powershift, Deep Impact Blue
2008 Focus Cabriolet Titanium 2.0 Duratec-HE 145CP, MT, Acqua Blue
2014 Ford Mondeo Titanium 2.0 Ecoboost 240CP, MT, Blazer Blue
2012 Ford Mondeo Trend 2.0 TDCi 163CP, MT, Lunar Sky
2005 Ford Escape Hybrid 2.3 AT, AWD, Light Tundra
2011 Ford Focus Trend 1.6 TDCi 115CP, MT, Moondust Silver
Mondeo Mk3 2007, Mondeo Mk4 2010, Mondeo Mk3 2001, Mondeo Mk4 2011, Kuga Mk1 2011, Kuga Mk2 2015, Kuga Mk2 2017, Galaxy Mk2 2011, Mondeo Mk5 2015,Focus Mk2 2006, Mondeo Mk4 2009, Kuga Mk1 2012, Mustang 2015, Edge 2016
Avatar utilizator
jeffe
 
Mesaje: 4788
Membru din: 28 Iul 2009, 15:26
Localitate: Bucuresti
Maşina: Mondeo Mk5 2016, 2.0 TDCi 150CP, Titanium
VIN: WF0EXXWPCEFTXXXXX

Re: BCM Caseta siguranțe sub volan faza scurta "moarta"!

Mesajde sierra2.0i » 25 Iul 2022, 11:41

Îți foarte mulțumesc!

Îl aveam, dar sunt elemente suplimentare de achiziționat pentru conversii diverse și TREBUIE schimbata și CC----As Build după așa ceva.

Adică aceea cu "VIN mașina.ab", iar dacă e făcută cum trebuie trebuie și "urcata" la FORD" înapoi pe site, ca la următoarele intervenții, orinde ar fi făcute, să aibă lumea ce le trebuie!


Deci trebuie sa mai sap singur, și când mă voi simți confortabil cu informațiile pe care le acumulez, să mă apuc de treabă!


Așa cum am mai zis, mulțumesc anticipat și ulterior tuturor care mă ajută!!!!

Discuția rămâne deschisă!

Catalin
Daca e oval si e abastru e MASINA!
!!!EX!!! : Sierra 2.0i/100CP/1988
!!!EX!!! : Mondeo2.0 TDCI/130CP/2002
!!!EX!!! : Fiesta 1,4i/2006
!!!EX!!! : HYUNDAI IX35/2.0i/160CP/4x4/2010
!!!EX!!! : RANGER 2,5TD/109CP/4X4/2008!!!!!!!!
(Fabricat pentru Senegal!!! UNICAT in Europa)
!!!EX!!! : Kuga ST 1,5/180CP/AWD/Iun2019
!!!EX!!! : KA 1,3/2008
!!!ACTUAL!!! : RANGER 2,2 TDCI/150CP/4X4/2014
!!!ACTUAL!!! : Kuga ST Hybrid 2,5/220 CP/AWD/DEC 2022
Avatar utilizator
sierra2.0i
Ford Freak
 
Mesaje: 164
Membru din: 25 Mai 2007, 12:33
Localitate: Ploiesti
Maşina: Ranger 2.2, Ka 1.3, Kuga ST Hybrid 2,5
VIN: VINNUCANUMERGTREI

Re: BCM Caseta siguranțe sub volan faza scurta "moarta"!

Mesajde jeffe » 25 Iul 2022, 20:48

Le cam amesteci si confuzi, da' ce sa zic? Spor la treaba!
2016 Mondeo Titanium 2.0TDCi 180CP, Powershift, Deep Impact Blue
2008 Focus Cabriolet Titanium 2.0 Duratec-HE 145CP, MT, Acqua Blue
2014 Ford Mondeo Titanium 2.0 Ecoboost 240CP, MT, Blazer Blue
2012 Ford Mondeo Trend 2.0 TDCi 163CP, MT, Lunar Sky
2005 Ford Escape Hybrid 2.3 AT, AWD, Light Tundra
2011 Ford Focus Trend 1.6 TDCi 115CP, MT, Moondust Silver
Mondeo Mk3 2007, Mondeo Mk4 2010, Mondeo Mk3 2001, Mondeo Mk4 2011, Kuga Mk1 2011, Kuga Mk2 2015, Kuga Mk2 2017, Galaxy Mk2 2011, Mondeo Mk5 2015,Focus Mk2 2006, Mondeo Mk4 2009, Kuga Mk1 2012, Mustang 2015, Edge 2016
Avatar utilizator
jeffe
 
Mesaje: 4788
Membru din: 28 Iul 2009, 15:26
Localitate: Bucuresti
Maşina: Mondeo Mk5 2016, 2.0 TDCi 150CP, Titanium
VIN: WF0EXXWPCEFTXXXXX

Re: BCM Caseta siguranțe sub volan faza scurta "moarta"!

Mesajde sierra2.0i » 25 Iul 2022, 22:52

Super!

Daca ești atât de capabil...... luminează-mă!!!!

Am recunoscut că sunt novice pe domeniu!

Ajuta-mă dacă poți!

Presupun că așa ai învățat și tu, că doar nu te-ai trezit într-o dimineață știind totul!

Ce urmează...nu sunt răutăți!!!!

Dacă NU..... ascultă și învață.....cum ai făcut și până acum!

Și acumulează informații!

C.
Daca e oval si e abastru e MASINA!
!!!EX!!! : Sierra 2.0i/100CP/1988
!!!EX!!! : Mondeo2.0 TDCI/130CP/2002
!!!EX!!! : Fiesta 1,4i/2006
!!!EX!!! : HYUNDAI IX35/2.0i/160CP/4x4/2010
!!!EX!!! : RANGER 2,5TD/109CP/4X4/2008!!!!!!!!
(Fabricat pentru Senegal!!! UNICAT in Europa)
!!!EX!!! : Kuga ST 1,5/180CP/AWD/Iun2019
!!!EX!!! : KA 1,3/2008
!!!ACTUAL!!! : RANGER 2,2 TDCI/150CP/4X4/2014
!!!ACTUAL!!! : Kuga ST Hybrid 2,5/220 CP/AWD/DEC 2022
Avatar utilizator
sierra2.0i
Ford Freak
 
Mesaje: 164
Membru din: 25 Mai 2007, 12:33
Localitate: Ploiesti
Maşina: Ranger 2.2, Ka 1.3, Kuga ST Hybrid 2,5
VIN: VINNUCANUMERGTREI

Re: BCM Caseta siguranțe sub volan faza scurta "moarta"!

Mesajde jeffe » 25 Iul 2022, 23:09

Prefer sa nu imi bat capul, dar pentru ca insisti uite ca iti raspund:
Daca nu este evident pentru toti, masinile moderne sunt mai complexe si evoluate in comparatie cu cele vechi si nu se modifica asa de usor. Cu toate astea, daca urmaresti instructiunile producatorului si daca te documentezi inainte poti face o groaza de lucruri interesante. Nu tot ce iti doresti, desigur, dar o mare parte.
In ceea ce priveste modificarile pe care vrei tu sa le faci in manual scrie clar: uneori necesita reprogramare cu Ford IDS, la dealer. Evident, nu intotdeauna dealerul are chef sa inteleaga ce vrei tu de la el sau pur si simplu da din umeri asa ca norocul nostru este ca avem Forscan, un software gratis, facut de un pasionat, cu care putem sa modificam anumiti parametri ai masinii. Are si asta limitarile lui, da' ceva configuratii tot poti face cu el.

Ford ofera posesorilor si service-urilor configuratia cu care masina a iesit din fabrica - acel ASBuilt (fisierul cu extensia .ab). In fisierul asta, depinzand de arhitectura software a masinii poti gasi informatii interesante despre modulele si configuratia masinii. Asa cum a iesit din fabrica. Nu, nu poti trimite fisierul ala inapoi la Ford, ar fi si inutil. Dar il poti folosi ca pe un backup in cazul in care ai modificat ceva in configuratia masinii si ai uitat sa iti faci o copie de siguranta. Sau atunci cand un calculator s-a defectat, nu ii mai poti recupera configuratia lui si trebuie inlocuit.

De-aia ti-am scris mai sus ca le confunzi si amesteci, pentru ca ai "mirosit" unele lucruri, da' nu complet. Asa, ca idee.

Dar iti multumesc pentru ordinele date (sa ascult si sa acumulez informatii). Foarte folositoare.
2016 Mondeo Titanium 2.0TDCi 180CP, Powershift, Deep Impact Blue
2008 Focus Cabriolet Titanium 2.0 Duratec-HE 145CP, MT, Acqua Blue
2014 Ford Mondeo Titanium 2.0 Ecoboost 240CP, MT, Blazer Blue
2012 Ford Mondeo Trend 2.0 TDCi 163CP, MT, Lunar Sky
2005 Ford Escape Hybrid 2.3 AT, AWD, Light Tundra
2011 Ford Focus Trend 1.6 TDCi 115CP, MT, Moondust Silver
Mondeo Mk3 2007, Mondeo Mk4 2010, Mondeo Mk3 2001, Mondeo Mk4 2011, Kuga Mk1 2011, Kuga Mk2 2015, Kuga Mk2 2017, Galaxy Mk2 2011, Mondeo Mk5 2015,Focus Mk2 2006, Mondeo Mk4 2009, Kuga Mk1 2012, Mustang 2015, Edge 2016
Avatar utilizator
jeffe
 
Mesaje: 4788
Membru din: 28 Iul 2009, 15:26
Localitate: Bucuresti
Maşina: Mondeo Mk5 2016, 2.0 TDCi 150CP, Titanium
VIN: WF0EXXWPCEFTXXXXX

Re: BCM Caseta siguranțe sub volan faza scurta "moarta"!

Mesajde sierra2.0i » 25 Iul 2022, 23:22

Salutare,

Folosesc versiunea beta de la FORScan......nu am amestecat nimic!

Dacă "acumulezi" informații, după manualul pe care mi l-ai trimis (îți foarte mulțumesc -deși îl aveam) înțeleg că ai vrut să ajuți din toată ființa ta, dar acolo precizează acest lucru!!!!

Upload!

DUPĂ modificări.....făcute de dealer.... réparateur......sau cum vrei să-i spui......autorizat!
Să facă UPLOAD!

NU DAU ORDINE LA NIMENI!
Că nu sunt nevasta nimănui....de pe acest forum!

C.
Daca e oval si e abastru e MASINA!
!!!EX!!! : Sierra 2.0i/100CP/1988
!!!EX!!! : Mondeo2.0 TDCI/130CP/2002
!!!EX!!! : Fiesta 1,4i/2006
!!!EX!!! : HYUNDAI IX35/2.0i/160CP/4x4/2010
!!!EX!!! : RANGER 2,5TD/109CP/4X4/2008!!!!!!!!
(Fabricat pentru Senegal!!! UNICAT in Europa)
!!!EX!!! : Kuga ST 1,5/180CP/AWD/Iun2019
!!!EX!!! : KA 1,3/2008
!!!ACTUAL!!! : RANGER 2,2 TDCI/150CP/4X4/2014
!!!ACTUAL!!! : Kuga ST Hybrid 2,5/220 CP/AWD/DEC 2022
Avatar utilizator
sierra2.0i
Ford Freak
 
Mesaje: 164
Membru din: 25 Mai 2007, 12:33
Localitate: Ploiesti
Maşina: Ranger 2.2, Ka 1.3, Kuga ST Hybrid 2,5
VIN: VINNUCANUMERGTREI

Re: BCM Caseta siguranțe sub volan faza scurta "moarta"!

Mesajde sierra2.0i » 26 Iul 2022, 00:12

Am făcut deja ceva modificari cu FORScan(BETA) pe la Kuga pe care o am ......la acest Ranger........la kA NU .... pentru că nu prea am ce.......

Dar BCM-ul la Ranger.........m-a dat peste cap!

C.
Daca e oval si e abastru e MASINA!
!!!EX!!! : Sierra 2.0i/100CP/1988
!!!EX!!! : Mondeo2.0 TDCI/130CP/2002
!!!EX!!! : Fiesta 1,4i/2006
!!!EX!!! : HYUNDAI IX35/2.0i/160CP/4x4/2010
!!!EX!!! : RANGER 2,5TD/109CP/4X4/2008!!!!!!!!
(Fabricat pentru Senegal!!! UNICAT in Europa)
!!!EX!!! : Kuga ST 1,5/180CP/AWD/Iun2019
!!!EX!!! : KA 1,3/2008
!!!ACTUAL!!! : RANGER 2,2 TDCI/150CP/4X4/2014
!!!ACTUAL!!! : Kuga ST Hybrid 2,5/220 CP/AWD/DEC 2022
Avatar utilizator
sierra2.0i
Ford Freak
 
Mesaje: 164
Membru din: 25 Mai 2007, 12:33
Localitate: Ploiesti
Maşina: Ranger 2.2, Ka 1.3, Kuga ST Hybrid 2,5
VIN: VINNUCANUMERGTREI

Re: BCM Caseta siguranțe sub volan faza scurta "moarta"!

Mesajde sierra2.0i » 17 Iun 2023, 21:19

Salutare forumiști,

I-am dat de cap!
După lupte seculare.......... Dacă tot mi-a crăpat un piston :shock: m-am apucat să fac și softul de la BCM.....și cum fără peripeții nu se poate....... mi-a luat ceva timp (cam 40 de ore de muncă) și nervi consumați!
DAR am rezolvat!

Pe (relativ) scurt, am downloadat "User D-flash" din BCM l-am "alterat" (a se citi modificat) și într-un final fericit am reușit să resetez contoarul de "bec ars" pe faza scurtă.

Pentru faptul că nu am găsit nicăieri cu ce baud rate sa citesc BCM-ul am avut o problemă......la citire și mi-a modificat PATS "PASSIVE ANTI-THEFT SYSTEM (PATS)" sau cum mai este cunoscut IMMO ........ norocul meu este că l-am "citit" de câteva ori și de fiecare dată am salvat!!!!!

Una dintre "citiri" mi-a păstrat cheile!!!!!
Acesta a fost NOROCUL!

DAR acum știu să le fac "din prima"!

Este oricum o operație delicată!

TOTUȘI........bine că am experimentat pe mașina mea!

După ce am reușit să aduc BCM-ul la o "formă citibilă" pentru celelalte procesoare, a trebuit să fac o reinitializare la BCM......

Altă aventură...... TOT DIN PATS.......este sub protecție cu cod.....
BCM-ul generează un cod propriu......și acesta, trimis la "FORD" vei primi un cod de acces!!!!!...... dacă ești Service autorizat!!!!
NOROC că Forscanul are generator intern.......BUN Rusul!!!

Concluzia finală:

Daca cineva are nevoie îl pot ajuta!

Linkuri cu preturi care se practică în UK și m-au ajutat să mă ambiționez.......:

https://ecuconnection.co.uk/product/for ... fault-fix/


https://motortronics.co.uk/product/rang ... ht-repair/


https://pelicandiagnostics.uk/product/f ... 00-repair/
Daca e oval si e abastru e MASINA!
!!!EX!!! : Sierra 2.0i/100CP/1988
!!!EX!!! : Mondeo2.0 TDCI/130CP/2002
!!!EX!!! : Fiesta 1,4i/2006
!!!EX!!! : HYUNDAI IX35/2.0i/160CP/4x4/2010
!!!EX!!! : RANGER 2,5TD/109CP/4X4/2008!!!!!!!!
(Fabricat pentru Senegal!!! UNICAT in Europa)
!!!EX!!! : Kuga ST 1,5/180CP/AWD/Iun2019
!!!EX!!! : KA 1,3/2008
!!!ACTUAL!!! : RANGER 2,2 TDCI/150CP/4X4/2014
!!!ACTUAL!!! : Kuga ST Hybrid 2,5/220 CP/AWD/DEC 2022
Avatar utilizator
sierra2.0i
Ford Freak
 
Mesaje: 164
Membru din: 25 Mai 2007, 12:33
Localitate: Ploiesti
Maşina: Ranger 2.2, Ka 1.3, Kuga ST Hybrid 2,5
VIN: VINNUCANUMERGTREI

Re: BCM Caseta siguranțe sub volan faza scurta "moarta"!

Mesajde sierra2.0i » 15 Noi 2023, 02:56

$1 scrie:$2erificați siguranțele responsabile de faza scurtă. Dacă siguranța a ars, înlocuiți-o cu una nouă de același tip și valoare. Ar fi bine să verificați și starea contactelor și conexiunilor în sistemul de iluminare. Este posibil să existe o întrerupere sau coroziune undeva. Dacă există probleme cu BCM, acestea pot afecta funcționarea luminilor. În acest caz, poate fi necesară o revizie și eventual reprogramare sau înlocuire a BCM-ului.



Ai citit mesajul?
Am spus clar că am rezolvat, acum câteva luni bune.......și DA numai cu programare!
Nu siguranțe.... coroziuni...... întreruperi!!!!!
Daca e oval si e abastru e MASINA!
!!!EX!!! : Sierra 2.0i/100CP/1988
!!!EX!!! : Mondeo2.0 TDCI/130CP/2002
!!!EX!!! : Fiesta 1,4i/2006
!!!EX!!! : HYUNDAI IX35/2.0i/160CP/4x4/2010
!!!EX!!! : RANGER 2,5TD/109CP/4X4/2008!!!!!!!!
(Fabricat pentru Senegal!!! UNICAT in Europa)
!!!EX!!! : Kuga ST 1,5/180CP/AWD/Iun2019
!!!EX!!! : KA 1,3/2008
!!!ACTUAL!!! : RANGER 2,2 TDCI/150CP/4X4/2014
!!!ACTUAL!!! : Kuga ST Hybrid 2,5/220 CP/AWD/DEC 2022
Avatar utilizator
sierra2.0i
Ford Freak
 
Mesaje: 164
Membru din: 25 Mai 2007, 12:33
Localitate: Ploiesti
Maşina: Ranger 2.2, Ka 1.3, Kuga ST Hybrid 2,5
VIN: VINNUCANUMERGTREI


Înapoi la Help/Troubleshooting

Cine este conectat

Utilizatorii ce navighează pe acest forum: Niciun utilizator înregistrat şi 5 vizitatori

Cine este conectat

În total sunt 5 utilizatori conectaţi :: 0 înregistraţi, 0 invizibili şi 5 vizitatori (date care se bazează pe utilizatorii activi în ultimele 5 minute)
Cei mai mulţi utilizatori conectaţi au fost 2573 pe 30 Sep 2024, 17:07

Utilizatorii ce navighează pe acest forum: Niciun utilizator înregistrat şi 5 vizitatori

Zile de naştere

Nicio zi de naştere astăzi

Site Login