Scapat de troncanit!
Salutare!
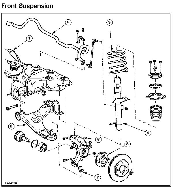
Cei care au mers cu balenutza mea cind am venit la intilnire isi mai amintesc poate ca aveam un troncanit urit pe stinga fata. L-am avut inca de cind am cumparat masina, iar la service mi l-au diagnosticat ca venind de la coloana volanului. Trist, pentru ca o coloana noua costa 650 de euri.
Ei bine, nu. Era una dintre bucsele de la bascula din stinga. Inainte de a da banii pe o coloana noua, am zis ca sa schimb totusi si bucsele de la bascule, pentru orice eventualitate. (Alea de la bara de stabilizare, primele banuite, le schimbasem, dar fara nici un rezultat). Am trecut ieri pe la BDT, dar nu le-am cumparat, pentru ca erau cam scumpe (1.200.000 una si 440.000 alta), insa cind am ajuns acasa m-am gindit sa le desfac totusi ca sa vad daca au vreo problema. Banuiam ca bucsa din spate (aia mai scumpa
) ar putea fi vinovatul, asa ca am inceput cu ea.
I-am scos suruburile si am tras un pic de bascula, atit cit sa iasa din lacasul ei si sa vad bine bucsa. Dezamagire totala! Arata perfect. Nici o crapatura, nici o deformare, nimic. N-am scos-o de acolo, dar am invirtit-o putin ca s-o vad pe toate partile. Arata perfect peste tot.
Pus suruburile, lasat masina pe sol, strins suruburile.
Ce-mi vine mie insa? Ia hai sa dau o tura, sa vad daca s-a schimbat ceva! Ei bine, minune! Troncanitul a disparut complet!
Yupeeeeee!!!
Nu-mi venea sa cred. Niciodata n-am auzit masina asta trecind atit de silentios peste denivelari.
Doar 1.200.000. E o diferenta fata de 650 de euri, nu? Ca sa nu mai zic ca as fi dat banii astia degeaba...
Probabil ca bucsa e terminata si va incepe sa troncane din nou la un moment dat. Acum poate ca o ajuta faptul ca am invirtit-o putin si am lasat-o in alta pozitie decit era inainte. Daca e uzata, va incepe in curind sa troncane si in pozitia actuala. Dar nu conteaza. Acum stiu cine e vinovatul, stiu cum se rezolva. Cind imi apare din nou zgomotul, dau 1.200.000 si il rezolv definitiv.
A, si mi-am mai adus aminte de ceva. Mai stiti ca aveam un greieras in partea din dreapta fata, in bord? Schimbasem parbrizul de curind, si cind mi-au pus la loc grila de plastic de sub stergatoare au uitat sa prinda unul dintre colturi. Ala vibra si lovea in parbriz. L-am fixat eu.
Greierasul e mort.
Cei care au mers cu balenutza mea cind am venit la intilnire isi mai amintesc poate ca aveam un troncanit urit pe stinga fata. L-am avut inca de cind am cumparat masina, iar la service mi l-au diagnosticat ca venind de la coloana volanului. Trist, pentru ca o coloana noua costa 650 de euri.
Ei bine, nu. Era una dintre bucsele de la bascula din stinga. Inainte de a da banii pe o coloana noua, am zis ca sa schimb totusi si bucsele de la bascule, pentru orice eventualitate. (Alea de la bara de stabilizare, primele banuite, le schimbasem, dar fara nici un rezultat). Am trecut ieri pe la BDT, dar nu le-am cumparat, pentru ca erau cam scumpe (1.200.000 una si 440.000 alta), insa cind am ajuns acasa m-am gindit sa le desfac totusi ca sa vad daca au vreo problema. Banuiam ca bucsa din spate (aia mai scumpa
I-am scos suruburile si am tras un pic de bascula, atit cit sa iasa din lacasul ei si sa vad bine bucsa. Dezamagire totala! Arata perfect. Nici o crapatura, nici o deformare, nimic. N-am scos-o de acolo, dar am invirtit-o putin ca s-o vad pe toate partile. Arata perfect peste tot.
Pus suruburile, lasat masina pe sol, strins suruburile.
Ce-mi vine mie insa? Ia hai sa dau o tura, sa vad daca s-a schimbat ceva! Ei bine, minune! Troncanitul a disparut complet!
Nu-mi venea sa cred. Niciodata n-am auzit masina asta trecind atit de silentios peste denivelari.
Doar 1.200.000. E o diferenta fata de 650 de euri, nu? Ca sa nu mai zic ca as fi dat banii astia degeaba...
Probabil ca bucsa e terminata si va incepe sa troncane din nou la un moment dat. Acum poate ca o ajuta faptul ca am invirtit-o putin si am lasat-o in alta pozitie decit era inainte. Daca e uzata, va incepe in curind sa troncane si in pozitia actuala. Dar nu conteaza. Acum stiu cine e vinovatul, stiu cum se rezolva. Cind imi apare din nou zgomotul, dau 1.200.000 si il rezolv definitiv.
A, si mi-am mai adus aminte de ceva. Mai stiti ca aveam un greieras in partea din dreapta fata, in bord? Schimbasem parbrizul de curind, si cind mi-au pus la loc grila de plastic de sub stergatoare au uitat sa prinda unul dintre colturi. Ala vibra si lovea in parbriz. L-am fixat eu.
Greierasul e mort.
-

VladSoare - 1nsane Member
- Mesaje: 3969
- Membru din: 11 Oct 2004, 10:49
- Localitate: Voluntari
- Maşina: Mustang GT 2020, Kuga 1.5 2016
