Help/Troubleshooting

nu mai porneste electroventilatorul... pus pe direct, merge

Eventualele probleme/nelamuriri tehnice generale.

Moderator: Huffy

Reguli forum
Dacă aveţi defecţiuni sau nelămuriri cu privire la maşina dumneavoastră, vă rog să căutaţi răspunsuri sau să deschideţi un subiect nou în Secţiunea dedicată modelului dumneavoastră. Această secţiune este doar pentru generalităţi.

nu mai porneste electroventilatorul... pus pe direct, merge

Mesajde gaskoe » 28 Aug 2007, 21:31

Bun gasit,
Am un Ford Mondeo an fabr. 1993, 1800 cmc, benzina, si am observat de la o vreme ca radiatorul de racire a motorului se incalzeste foarte tare, de nici nu poti sa tii mina pe el. Se pare ca electroventilatorul nu mai porneste. Am citeva intrebari, la care va rog sa ma ajutati sa gasesc un raspuns:
1. In mod normal, radiatorul de racire este fierbinte sau cald/caldut?
2. In ce conditii porneste electroventilatorul si cine il comanda?

Va multumesc anticipat, in speranta ca ma veti ajuta sa aflu raspuns la aceste intrebari.
Din 02.04.2010: Ford Fusion 2009 1.4 80 HP benzina
gaskoe
Incepator
 
Mesaje: 93
Membru din: 17 Aug 2007, 14:23
Maşina: Ford

Mesajde verga_Cip » 29 Aug 2007, 10:59

Electroventilatorul porneste comandat de o termocupla. Verifica si sigurantele....
Avatar utilizator
verga_Cip
1nsane Member
 
Mesaje: 12705
Membru din: 17 Apr 2006, 11:04
Localitate: Bacau
Maşina: Ford Focus Mk2 2.0 TDCi 100 kw 2005

Mesajde gokey » 29 Aug 2007, 11:09

sau este dusa termocupla
Multiplic chei auto cu CIP - FORD, vag, opel, peugeot , lexus, toyota ,buick, chevrolet , fiat, mercedes , etc. In cazul pierderii tuturor cheilor execut chei dupa butuc , cod cheie mecanica
http://chei-auto-timisoara.blogspot.ro/

Chei cu telecomanda si tip briceag pentru : FORD, VW, OPEL ,ETC.
info : 0722273451
Avatar utilizator
gokey
1nsane Member
 
Mesaje: 2320
Membru din: 11 Dec 2006, 23:25
Localitate: TIMISOARA
Maşina: EDGE + KUGA

Mesajde KnupZ » 29 Aug 2007, 13:22

termocupla este beleaua de cele mai multe ori in cazuri de genul asta.
KnupZ
owned
 
Mesaje: 1089
Membru din: 24 Dec 2004, 02:10
Localitate: Bucuresti

Mesajde vctoras » 29 Aug 2007, 13:46

In mod normal este incalzit de nu poti sa-l atingi.Nu te lua dupa simturi.Daca in mers sau pe loc nu creste temperatura peste limita nu ai probleme.Este bine sa verifici termocupla.La mine nu a pornit niciodata.
Ford Focus 1.8TDDI 90Cp,2000
vctoras
Gold Member
 
Mesaje: 537
Membru din: 02 Iun 2006, 12:54
Localitate: Motru
VIN: WF0NXXGCDNYL74053

Mesajde gaskoe » 29 Aug 2007, 18:21

Am observat ca pe blocul motor, in partea dreapta, este un dispozitiv in care este incorporat termostatul. Pe el sunt doua sonde, sau senzori, nu stiu exact. Unul in partea de sus a dispozitivului, unul in partea de jos, putin spre stinga. Dvs, cu totii mi-ati spus de termocupla. Este cumva dispozitivul de care am pomenit, sau trebuie sa caut in alta parte? Multumesc.
PS> in situatia in care radiatorul este incalzit de nu poti sa tii mina pe el, relantiul devine instabil, si in unele cazuri chiar se opreste motorul. Cu ventilatorul cuplat manual, motorul functioneaza cum trebuie. Am observat ca pe carcasa electroventilatorului, in partea dreapta jos, este un senzor. Are si el vreun rol in functionarea electroventilatorului?
PS> am verificat sigurantele
Multumesc.
Din 02.04.2010: Ford Fusion 2009 1.4 80 HP benzina
gaskoe
Incepator
 
Mesaje: 93
Membru din: 17 Aug 2007, 14:23
Maşina: Ford

Mesajde gaskoe » 31 Aug 2007, 16:32

Rog un moderator sa mute acest topic in sectiunea de Mondeo. Multumesc.
Din 02.04.2010: Ford Fusion 2009 1.4 80 HP benzina
gaskoe
Incepator
 
Mesaje: 93
Membru din: 17 Aug 2007, 14:23
Maşina: Ford

Mesajde CTT » 31 Aug 2007, 17:27

1. In mod normal radiatorul este fierbinte. Prin el circula apa la ~90C; la temperatura asta eu zic ca n-ai nici o sansa sa tii mana pe el fara sa te arzi.
2. Nu stiu daca ventilatorul e comandat de o termocupla sau de ECU (pe baza senzorului de temperatura), insa trebuie sa porneasca daca se da drumul la A/C.
CTT
Member
 
Mesaje: 254
Membru din: 03 Noi 2006, 12:06
Localitate: Arad/Timisoara
Maşina: Mondeo 2.0i, 2004, automatic

Mesajde DanielArdelian2 » 31 Aug 2007, 18:53

$1 scrie:$2Am observat ca pe carcasa electroventilatorului, in partea dreapta jos, este un senzor. Are si el vreun rol in functionarea electroventilatorului?
PS> am verificat sigurantele
Multumesc.


S-ar putea ca ce ai vazut tu acolo sa fie rezistenta de reducere a turatiei ventilatorului.

Nu am Mondeo, asa ca vorbesc doar din auzite:

La orice masina, cand pornesti aerul conditionat, trebuie pornit si ventilatorul ca sa raceasca condensorul de AC (un radiator plasat in fata celui de racire a apei din motor).

La unele motoare Ford, atunci cand pornesti AC, se cupleaza ventilatorul in serie cu o rezistenta ca sa nu mearga la viteza maxima - zgomot mai mic, uzura mai mica, etc.

Atunci cand ECU porneste ventilatorul pentru ca apa din motor e prea fierbinte, scurtcircuiteaza acea rezistenta si porneste ventilatorul "pe direct", la viteza maxima.
Se pare ca acea rezistenta in timp se arde, contactele ei se oxideaza. Acea rezistenta este de obicei fixata pe radiator. Incearca sa o verifici si pe aia...
La motoarele mai noi, am vazut ca nu exista termocupla ci pornirea ventilatorului este integral controlata de ECU, prin intermediul unui senzor de temperatura motor.

LE: Pentru comanda electroventilatorului exista 2 relee, corespunzatoare pornirii pe cele doua trepte de viteza. Ar trebui verificate si acele relee.

Deseara o sa ma uit mai exact pe scheme, sa vad ce mai aflu si postez aici. Pentru asta, m-ar ajuta daca mi-ai da VIN-ul masinii (seria de sasiu, cea care incepe cu WF0...)
Puteti cauta pe forum direct de pe Google. Exemplu: [ revizie ford fiesta site:clubford.ro ]
Avatar utilizator
DanielArdelian2

Brainiac
 
Mesaje: 10723
Membru din: 19 Feb 2007, 18:11
Localitate: Timisoara
Maşina: Ford Mondeo 2004, Sedan, Trend, 1.8i 125 CP, pachet nefumatori.
VIN: WF04XXGBB44E42077

Mesajde gaskoe » 31 Aug 2007, 23:14

Cu mare placere. Numarul de identificare este:

WFOAXXGBBAPR58232.
Din 02.04.2010: Ford Fusion 2009 1.4 80 HP benzina
gaskoe
Incepator
 
Mesaje: 93
Membru din: 17 Aug 2007, 14:23
Maşina: Ford

Mesajde gaskoe » 31 Aug 2007, 23:15

$1 scrie:$2. In mod normal radiatorul este fierbinte. Prin el circula apa la ~90C; la temperatura asta eu zic ca n-ai nici o sansa sa tii mana pe el fara sa te arzi.
2. Nu stiu daca ventilatorul e comandat de o termocupla sau de ECU (pe baza senzorului de temperatura), insa trebuie sa porneasca daca se da drumul la A/C.


Chestia asta nu am incercat-o. Verific si revin. Ar fi posibil ca modelul meu de Mondeo (in semnatura) sa aibe ECU?
Din 02.04.2010: Ford Fusion 2009 1.4 80 HP benzina
gaskoe
Incepator
 
Mesaje: 93
Membru din: 17 Aug 2007, 14:23
Maşina: Ford

Mesajde CTT » 01 Sep 2007, 01:19

In mod sigur motorul tau are ECU.
CTT
Member
 
Mesaje: 254
Membru din: 03 Noi 2006, 12:06
Localitate: Arad/Timisoara
Maşina: Mondeo 2.0i, 2004, automatic

Mesajde DanielArdelian2 » 01 Sep 2007, 01:28

ECU = computerul care controleaza motorul (injectia). Sigur are ECU.
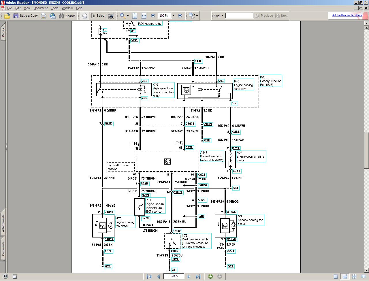
M-am uitat pe scheme si am constatat ca intr-adevar are doua viteze la ventilator, limitarea la viteza mica se face printr-o rezistenta care e fixata in partea de jos a radiatorului.
Iti atasez niste documente PDF cu schemele, pentru variantele cu si fara aer conditionat. Cele doua relee se pare ca se gasesc in compartimentul motor, probabil pe langa baterie (Battery Junction Box). Eu as comanda ambele relee de la Forcar, ca 14 ani au mers destul :)
Fa si testul cu pornirea AC-ului si vezi cum se comporta (ar trebui sa porneasca ventilatorul), verifica si rezistenta ca s-a mai intamplat sa se arda.

COMPLETARI: nu are termocupla, dar s-ar parea ca are doi senzori de temperatura lichid de racire. Unul este legat la ECU iar altul la indicatorul de temperatura motor de la bord. Ventilatorul este pornit din ECU.
Fişiere ataşate
mondeo_cooling.zip
(72.49 KiB) Descărcat de 1356 ori
Puteti cauta pe forum direct de pe Google. Exemplu: [ revizie ford fiesta site:clubford.ro ]
Avatar utilizator
DanielArdelian2

Brainiac
 
Mesaje: 10723
Membru din: 19 Feb 2007, 18:11
Localitate: Timisoara
Maşina: Ford Mondeo 2004, Sedan, Trend, 1.8i 125 CP, pachet nefumatori.
VIN: WF04XXGBB44E42077

Mesajde DanielArdelian2 » 01 Sep 2007, 01:43

Uite inca o schema, dintr-o alta sursa, care difera un pic fata de cele de dinainte.

In cele de dinainte, ECU putea controla ambele viteze ale ventilatorului.
In cea de mai jos, ECU poate cupla, prin K12 - I doar viteza mica. Viteza maxima este cuplata de K12 - II printr-un manocontact care verifica presiunea refrigerantului din instalatia de AC.
Fişiere ataşate
mondeo_cooling.zip
(72.49 KiB) Descărcat de 1040 ori
Puteti cauta pe forum direct de pe Google. Exemplu: [ revizie ford fiesta site:clubford.ro ]
Avatar utilizator
DanielArdelian2

Brainiac
 
Mesaje: 10723
Membru din: 19 Feb 2007, 18:11
Localitate: Timisoara
Maşina: Ford Mondeo 2004, Sedan, Trend, 1.8i 125 CP, pachet nefumatori.
VIN: WF04XXGBB44E42077

Mesajde gaskoe » 04 Sep 2007, 14:14

Am verificat si porneste atunci cind cuplez AC-ul. Multumesc pentru scheme, insa nu am reusit sa le descarc. Mai incerc.

Atasez doua foto, una cu rezistenta de pe carcasa electroventilatorului, iar alta cu suportul sondelor de linga motor.

Rezistenta de jos am verificat-o si are mai putin de 1 ohm. Sonda de sus, cu motorul cald, avea in jur de 4,5 Kohm.
Fişiere ataşate
rezistenta.JPG
(115.53 KiB) Descărcat de 879 ori
Din 02.04.2010: Ford Fusion 2009 1.4 80 HP benzina
gaskoe
Incepator
 
Mesaje: 93
Membru din: 17 Aug 2007, 14:23
Maşina: Ford

Mesajde gaskoe » 04 Sep 2007, 14:19

termocupla
Fişiere ataşate
termocupla1.JPG
(71.87 KiB) Descărcat de 878 ori
Din 02.04.2010: Ford Fusion 2009 1.4 80 HP benzina
gaskoe
Incepator
 
Mesaje: 93
Membru din: 17 Aug 2007, 14:23
Maşina: Ford

Mesajde gaskoe » 04 Sep 2007, 14:40

Cum spuneam, am pornit AC-ul si dupa citeva secunde porneste si electroventilatorul. Daca opresc AC-ul, se opreste si ventilatorul, tot dupa citeva secunde. Asta ma duce cu gindul ca "ceva" sau "cineva" controleaza totusi momentul pornirii si al opririi acestuia. Intentionez sa las motorul sa se incalzeaza mai tare, poate punctul de pornire al ventilatorul este la o temperatura mai ridicata. Una peste alta, indicatorul de temperatura din bord, nu trece de jumatate (acul se afla in dreptul literei R din inscriptia "NORMAL").
Din 02.04.2010: Ford Fusion 2009 1.4 80 HP benzina
gaskoe
Incepator
 
Mesaje: 93
Membru din: 17 Aug 2007, 14:23
Maşina: Ford

Mesajde DanielArdelian2 » 04 Sep 2007, 18:41

Deci sa vedem daca am inteles bine:

1. Daca pornesti AC, porneste si ventilatorul, deci nu-s probleme cu sigurantele, motorasul sau rezistenta
2. Radiatorul este fierbinte - e normal sa fie asa, deci termostatul deschide
3. Iti arata la bord ca temperatura ar fi normala.
4. Tu ai constatat ca din cand in cand, motorul nu mai merge rotund la ralanti, chiar se opreste - si suspectezi ca ar fi din cauza ca se supraincalzeste - aici e un mare semn de intrebare...

O sa ma uit deseara in Autodata sa vad daca mentioneaza cam ce rezistenta ar trebui sa aiba sonda de temperatura.

In poza "termocupla1.jpg", eu vad un singur senzor de temperatura in carcasa termostatului...unde ar fi al doilea ?

Inca o sugestie: masoara rezistenta acelui senzor si la alte temperaturi: rece, caldut, etc, sa vedem daca variaza cat de cat.
Puteti cauta pe forum direct de pe Google. Exemplu: [ revizie ford fiesta site:clubford.ro ]
Avatar utilizator
DanielArdelian2

Brainiac
 
Mesaje: 10723
Membru din: 19 Feb 2007, 18:11
Localitate: Timisoara
Maşina: Ford Mondeo 2004, Sedan, Trend, 1.8i 125 CP, pachet nefumatori.
VIN: WF04XXGBB44E42077

Mesajde DanielArdelian2 » 04 Sep 2007, 19:39

M-am mai cugetat si cred ca e releul care cupleaza electroventilatorul pe viteza maxima.

Asta pentru ca se pare ca senzorul de temperatura din partea de sus de pe carcasa termostatului (termocupla1.jpg) este cel pe care-l citeste ECU-ul, ventilatorul este comandat de ECU, iar pe un alt topic la Mondeo am citit ca pe la 80 de grade trebuie sa aiba cam 4.5 KOhm.

Nu sunt 100 % sigur ca schemele se potrivesc exact si la modelul tau, dar ca principiu sunt pe aproape.

Releele care te intereseaza sunt K45 si K46, eu suspectez pe cel "High Speed" (K46).
Fişiere ataşate
Mondeo_ZETEC-E_WithAC_Before_01_97_BatteryJunctionBox.JPG
(140.71 KiB) Descărcat de 854 ori
Mondeo_ZETEC-E_WithAC_Before_01_97.JPG
(146.42 KiB) Descărcat de 852 ori
Puteti cauta pe forum direct de pe Google. Exemplu: [ revizie ford fiesta site:clubford.ro ]
Avatar utilizator
DanielArdelian2

Brainiac
 
Mesaje: 10723
Membru din: 19 Feb 2007, 18:11
Localitate: Timisoara
Maşina: Ford Mondeo 2004, Sedan, Trend, 1.8i 125 CP, pachet nefumatori.
VIN: WF04XXGBB44E42077

Mesajde gaskoe » 05 Sep 2007, 17:37

DanielArdelian2:
$1 scrie:$2n poza "termocupla1.jpg", eu vad un singur senzor de temperatura in carcasa termostatului...unde ar fi al doilea ?


In primul rind multumesc pentru raspunsuri si documentatie. Cel de-al doilea senzor sa afla dedesubt, este cam greu de surprins in fotografie fara sa demontez intreg ansamblul.

Voi verifica releele respective. Un amic spunea ca la masina lui (Solenza cu motor de Clio) senzorul comanda pornirea electroventilatorului la 99 grade C, verificat pe standul de probe. Este posibil ca si la Ford pornirea ventilatorului sa fie comandata la o temperatura asa ridicata?

Inca o intrebare: ventilatorul, cind functioneaza, sufla aer prin radiator sau il trage, directionat catre motor?
Din 02.04.2010: Ford Fusion 2009 1.4 80 HP benzina
gaskoe
Incepator
 
Mesaje: 93
Membru din: 17 Aug 2007, 14:23
Maşina: Ford

Mesajde DanielArdelian2 » 05 Sep 2007, 17:40

Da, este posibil. Cam la fel porneste si la mine la Fiesta. Apa nu fierbe pentru ca circuitul de racire este sub presiune (1.2 ~ 1.5 bar) si la presiune mai mare, punctul de fierbere este mai ridicat. Eu am un mod de diagnoza la computerul de bord si imi arata temperatura masurata in format digital, o data am prins cam 104 grade, m-am speriat, dar nu dadea semne de fierbere.


Ventilatorul trage aer de afara inspre motor.
Puteti cauta pe forum direct de pe Google. Exemplu: [ revizie ford fiesta site:clubford.ro ]
Avatar utilizator
DanielArdelian2

Brainiac
 
Mesaje: 10723
Membru din: 19 Feb 2007, 18:11
Localitate: Timisoara
Maşina: Ford Mondeo 2004, Sedan, Trend, 1.8i 125 CP, pachet nefumatori.
VIN: WF04XXGBB44E42077

Mesajde Mihai666 » 06 Sep 2007, 19:02

Chestia asta am patit-o eu la Ford ka.
Cei care au zis ca nu ai termocupla au dreptate. Ventilatorul este comandat de ECU.
Cel mai sigur sa afli exact ce are este sa faci o diagnoza computerizata. Este relativ simpla si ieftina (mie mi-a pus 0.5 H, respectiv 45 RON la Augsburg in Militari). Cu computerul cuplat, mi-au spus baietii tot. Temperatura, ce indica senzorul de apa, la ce temperatura deschide treapta 1, treapta 2, daca cumva problema e de soft si sa nu da comanda de pornire la electroventilator, etc...
Ai sanse mari sa afli exact ce are.
Numai bine.
Mihai666
Incepator
 
Mesaje: 66
Membru din: 12 Iun 2007, 23:16
Maşina: Ford

Mesajde gaskoe » 08 Sep 2007, 00:00

Am scos mufa din senzorul de deasupra in timp ce motorul functioneaza si, la citeva secunde, electroventilatorul porneste la turatie maxima. Dupa ce o pun la loc, se opreste. Cind pornesc AC-ul, porneste si ventilatorul; cind opresc AC-ul, se opreste si ventilatorul. Dupa sugestiile primite in acest topic, inclin sa cred ca este oarecum o situatie normala. Am facut un schimb de ulei intre timp, nu mai am variatii de turatie la ralanti, indicatorul de temperatura sta in limite normale, in mers nu prezinta manifestari ciudate, asadar... se pare ca totul este in ordine. Multumesc tuturor pentru ajutor. Sa auzim numai de bine.
Din 02.04.2010: Ford Fusion 2009 1.4 80 HP benzina
gaskoe
Incepator
 
Mesaje: 93
Membru din: 17 Aug 2007, 14:23
Maşina: Ford

Mesajde DanielArdelian2 » 08 Sep 2007, 00:09

Ne bucuram ca s-a rezolvat, intr-adevar din ce spui tu in ultimul mesaj, trag si eu concluzia ca totul e normal.

Ceea ce ne derutase pe noi a fost asta:

$1 scrie:$2n situatia in care radiatorul este incalzit de nu poti sa tii mina pe el, relantiul devine instabil, si in unele cazuri chiar se opreste motorul
Puteti cauta pe forum direct de pe Google. Exemplu: [ revizie ford fiesta site:clubford.ro ]
Avatar utilizator
DanielArdelian2

Brainiac
 
Mesaje: 10723
Membru din: 19 Feb 2007, 18:11
Localitate: Timisoara
Maşina: Ford Mondeo 2004, Sedan, Trend, 1.8i 125 CP, pachet nefumatori.
VIN: WF04XXGBB44E42077

Mesajde gaskoe » 09 Sep 2007, 22:50

Pai... chiar asa se intimpla. Concomitent cu schimbul de ulei, am verificat si portiunea de instalatie electrica din care se alimenteaza electroventilatorul, si am avut surpriza (neplacuta) sa constat ca un intreg fascicol de cabluri era copt de-a binelea (izolatia era crapata in multe locuri, iar la cea mai simpla torsionare sau indoire sarea izolatia de pe fire). Am refacut si respectivul fascicol, desi nu sint convins ca asta a fost cauza.
Din 02.04.2010: Ford Fusion 2009 1.4 80 HP benzina
gaskoe
Incepator
 
Mesaje: 93
Membru din: 17 Aug 2007, 14:23
Maşina: Ford

Mesajde Adriancar » 13 Sep 2007, 14:18

Desi este prima mea interventie aici trebuie sa incep cu STUPID .Raspundeti-va singur la intrebarea :Daca ventilatorul ar sufla aer spre radiator ce s-ar intampla in timpul mersului ,evident in treapta I,II,III,...exclus marsarrier-ul.Cu asemenea intrebari nici veridicitatea constatarilor nu poate fi mare...........Scuze
Adriancar
Gold Member
 
Mesaje: 630
Membru din: 12 Sep 2007, 16:23

Mesajde gaskoe » 13 Sep 2007, 21:32

$1 scrie:$2esi este prima mea interventie aici trebuie sa incep cu STUPID .Raspundeti-va singur la intrebarea :Daca ventilatorul ar sufla aer spre radiator ce s-ar intampla in timpul mersului ,evident in treapta I,II,III,...exclus marsarrier-ul.Cu asemenea intrebari nici veridicitatea constatarilor nu poate fi mare...........Scuze



Daca ventilatorul sufla aer spre radiator, RACEA RADIATORUL, iar asta s-a si intimplat pina la remedierea defectiunii. Mai ales in treapta 1 si 2, cind fluxul de aer din timpul mersului nu este suficient pentru a raci radiatorul.


off-topic:
Ar fi de preferat sa fie si ultima ta interventie. Aici este un forum unde oamenii isi spun pasurile, fac schimb de impresii, cer si primesc un sfat etc. Daca ai intrat pe forum sa ne demonstrezi noua ca IQ-ul tau e mai sus de genunchiul broastei, te asigur ca plictisesti. Daca esti asa inteligent, nu te mai obosi sa citesti intrebari stupide.
Ultima oară modificat de gaskoe pe 13 Sep 2007, 21:44, modificat 1 dată în total.
Din 02.04.2010: Ford Fusion 2009 1.4 80 HP benzina
gaskoe
Incepator
 
Mesaje: 93
Membru din: 17 Aug 2007, 14:23
Maşina: Ford

Mesajde zvony » 13 Sep 2007, 21:44

Adriancar: interventia este deplasata si consider ca ar trebui sa iti revizuiesti atitudinea. Suntem deschisi opiniilor, parerilor, dar nu si jignirilor. Discutiile pe acesto forum se poarta in mod civilizat.
If in doubt... flat out! (Colin McRae)
'10 Ford Kuga '05 Ford Focus '01 Ford Focus
'06 Ford Focus ST
'89 Ford Escort RSturbo
'93 Ford Explorer Eddie Bauer (link)
'16 Ford Edge Sport
Avatar utilizator
zvony
 
Mesaje: 3917
Membru din: 18 Oct 2006, 19:07
Localitate: Pitesti
Maşina: Ford Focus Mk2 ST
VIN: WF05XXGCD56B06673

Mesajde ionascu » 16 Sep 2007, 18:08

Va salut!
Dragi prieteni, am si eu o problema cu acea rezistenta de trepte de la ventilatoare si din moment ce va vad documentati m-am gandit ca poate gasiti o solutie. Cu ceva timp in urma, am deschis topicul "Am o mufa carbonizata si nu stiu ce rol are" unde am postat problema asta si am constatat ca multi forumisti si-au dat seama de-abia atunci ca au si ei problema asta.
Concret, porneam motorul si la scurt timp porneau ventilatoarele direct pe treapta 2. Mergeau aprox. 30 sec dupa care se opreau pentru 1 min, dupa care ciclul se relua. Toate pornirile si opririle erau insotite de socuri ale motorului pe care le simteam din masina. Am constatat ca priza rezistentei era carbonizata iar la masuratoare avea valoarea 0. Am schimbat-o cu una noua si totul mergea normal acum. Pornea pe treapta 1 si de-abia cand se incingea prea tare pornea pe 2. Oricum era mai liniste in masina. De ceva timp insa am vazut ca iar a inceput sa se topeasca izolatia la firele din apropierea prizei si ventilatoarele pornesc iar pe treapta 2 la scurt timp de la pornirea motorului, exact ca inainte.
Nu pricep ce se intampla? Chiar asa prosti sunt nemtii de la Ford? Ceva suprasolicita instalatia aia de se arde asa repede rezistenta si se topesc firele. Poate fi alta cauza? Stiti ceva, in conditiile in care bag de seama ca e boala generala?
Poate gasiti voi o solutie prin documentele ce le aveti la dispozitie sau mai aveti si cunostinte in electricitate auto si astfel reusim sa remediem Fordurile colegilor nostri.
Ford Mondeo 2001, 1998cmc, 115 hp, TDDI.
VIN : WF04XXGBB41A45013
Ford Focus 2007, 1560cmc, 109hp, TDCI.
VIN : WF0WXXGCDW7J51745
Avatar utilizator
ionascu
Member
 
Mesaje: 260
Membru din: 20 Mai 2007, 21:20
Localitate: Braila

Mesajde gaskoe » 16 Sep 2007, 18:15

Iti recomand sa completezi detalii amanuntite si chiar cu ceva fotografii. In acest fel, cei cu experienta iti pot oferi un ajutor eficient. Btw, unde se afla acea mufa? In ceea ce priveste topitul izolatiei, o cauza ar putea fi contactele slabe. De exemplu, electroventilatorul are un consum foarte mare de curent, iar contactele slabe la papuci/mufa poate duce pina la topirea cablurilor. Este o sugestie, pot fi si altele cauzele.
Din 02.04.2010: Ford Fusion 2009 1.4 80 HP benzina
gaskoe
Incepator
 
Mesaje: 93
Membru din: 17 Aug 2007, 14:23
Maşina: Ford

Următorul

Înapoi la Help/Troubleshooting

Cine este conectat

Utilizatorii ce navighează pe acest forum: Niciun utilizator înregistrat şi 7 vizitatori

cron

Cine este conectat

În total sunt 7 utilizatori conectaţi :: 0 înregistraţi, 0 invizibili şi 7 vizitatori (date care se bazează pe utilizatorii activi în ultimele 5 minute)
Cei mai mulţi utilizatori conectaţi au fost 9746 pe 02 Mar 2026, 11:01

Utilizatorii ce navighează pe acest forum: Niciun utilizator înregistrat şi 7 vizitatori

Zile de naştere

Nicio zi de naştere astăzi

Site Login